EasyManua.ls Logo

TCM FB10-8 - Valve Control

TCM FB10-8
259 pages
Print Icon
To Next Page IconTo Next Page
To Next Page IconTo Next Page
To Previous Page IconTo Previous Page
To Previous Page IconTo Previous Page
Loading...
コントロールバルブ
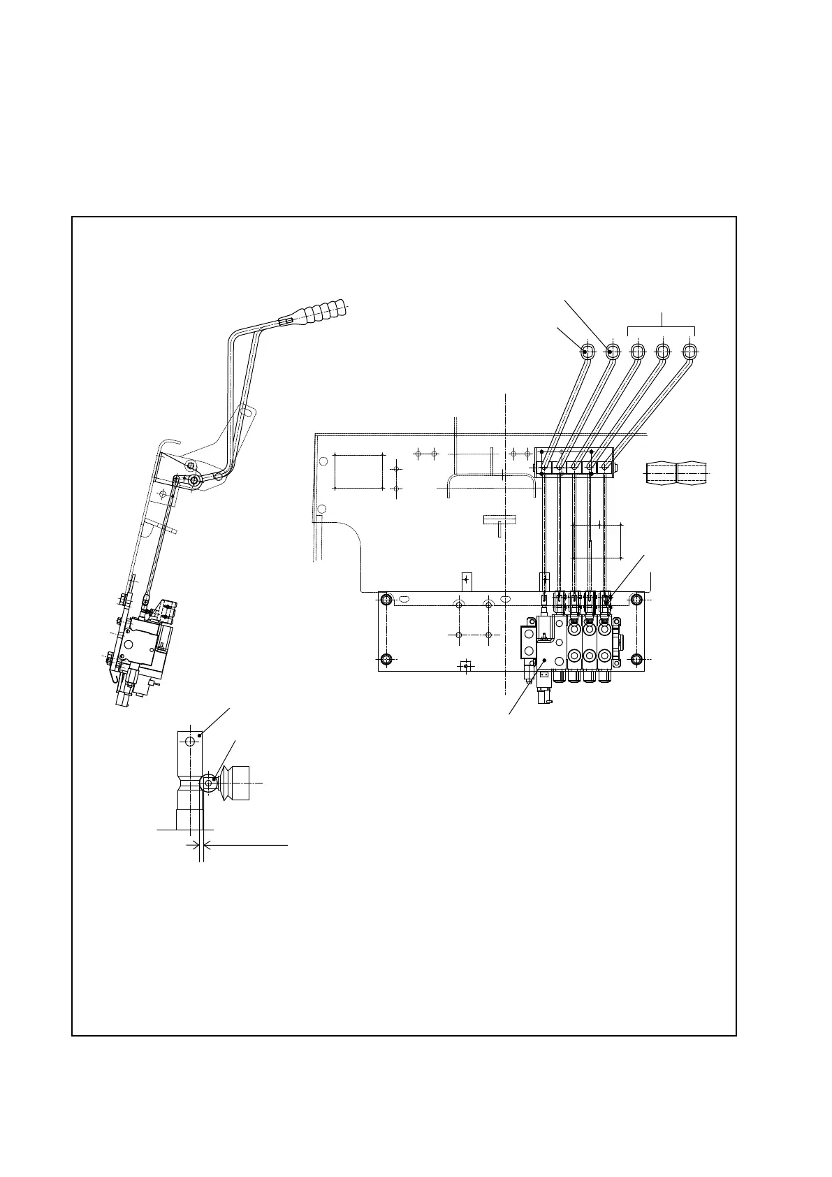
7.1.3 VALVE CONTROL
The control valve plungers are operated with the levers shown in Figure 7.3, with each of the
levers installed on a single shaft.
The bracket supporting each shaft is attached to the cowl. The movement of each lever is
transmitted through the rod to the corresponding plunger.
Fig. 7.3 Valve control
Installing the valve switch
Install the valve switch so that it turns on when the plunger is pushed in 0.8 ±0.1 mm
[0.031 ±0.0039 in.].
At this time, the center of switch’s plunger is aligned with the center of the cam.
VALVE SWITCH
PLUNGER
0.8±0.1 mm
(0.031±0.0039 in.)
TILT LEVER
LIFT LEVER
ATTACHMENT LEVERS
(OPTIONAL)
VALVE SWITCH
CONTROL VALVE

Table of Contents

Related product manuals