EasyManua.ls Logo

TDE MACNO OPEN DRIVE - Page 37

TDE MACNO OPEN DRIVE
66 pages
Print Icon
To Next Page IconTo Next Page
To Next Page IconTo Next Page
To Previous Page IconTo Previous Page
To Previous Page IconTo Previous Page
Loading...
35
Open Drive - Mod. 03A ÷ 460A
Istruzioni per l’installazione / Installation instructions
Rev. 3.1 - 29.04.09 - IT (originali) / EN (Translations from original instructions)
S.p.A.
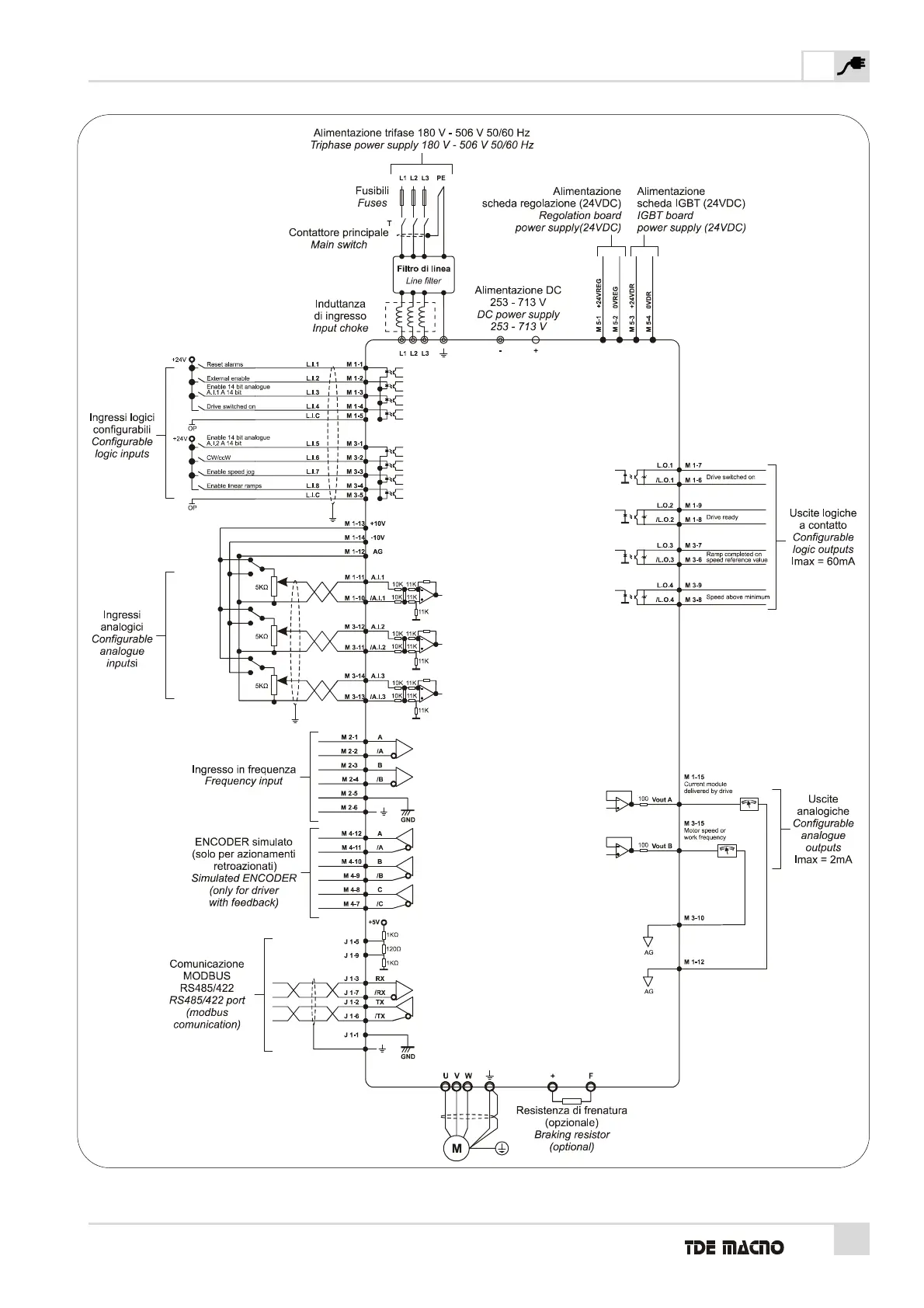
FIG. 7
(Collegamenti elettrici / Electrical Connections)
INSTALLAZIONE / INSTALLATION
5

Related product manuals