EasyManua.ls Logo

Teac A-3340 - LINE OUT AND PHONE AMPLIFIER PARTS

Teac A-3340
102 pages
Print Icon
To Next Page IconTo Next Page
To Next Page IconTo Next Page
To Previous Page IconTo Previous Page
To Previous Page IconTo Previous Page
Loading...
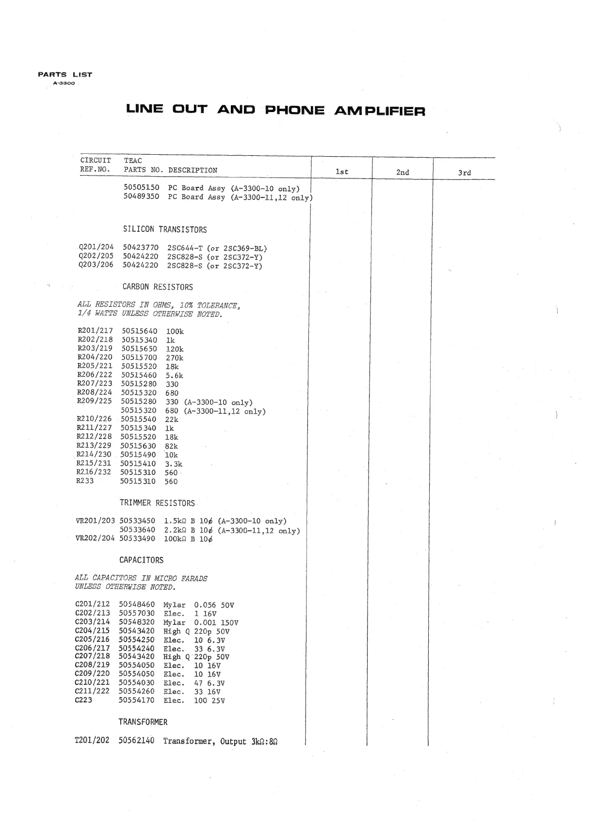
PARTS
LIST
A-3300
LINE
OUT
AND
PHONE
AMPLIFIER
CIRCUIT
TEAC
[
REF.NO.
PARTS
NO.
DESCRIPTION
lst
2nd
3rd
50505150
PC
Board
Assy
(A-3300-10
only)
50489350
PC
Board
Assy
(A-3300-11,12
only)
SILICON
TRANSISTORS
Q201/204
50423770
2SC644-T
(or
2S5C369-BL)
Q202/205
50424220
25C828-s
(or
2$C372-Y)
Q203/206
50424220
25¢828~s
(or
2S8C372-Y)
ALL
RESISTORS
IN
OHMS,
10%
TOLERANCE,
1/4
WATTS
UNLESS
OTHERWISE
NOTED.
R201/217
R202/218
R203/219
R204/220
R205/221
R206/222
R207/223
R208/224
R209/225
R210/226
R211/227
R212/228
R213/229
R214/230
R215/231
R216/232
R233
VR201/203
VR202/204
ALL
CAPACITORS
IN
MICRO
FARADS
UNLESS
OTHERWISE
NOTED.
C201/212
€202/213
203/214
C204/215
C205/216
C206/217
€207/218
C208/219
€209/220
€210/221
€211/222
C223
T201/202
CARBON
RESISTORS
50515640
100k
50515340
1k
50515650
120k
50515700
270k
50515520
18k
50515460
5.6k
50515280
330
50515320
680
50515280
330
(A~3300-10
only)
50515320
680
(A-3300-11,12
only)
50515540
22k
50515340
1k
50515520
18k
50515630
82k
50515490
10k
50515410
3.3k
50515310
560.
50515310
560
TRIMMER
RESISTORS
-
50533450
1.5k2
B
1046
(A-3300-10
only)
50533640
2.2k2
B
10¢
(A~3300-11,12
only)
50533490
100k2
B
10¢
CAPACITORS
50548460
Mylar
0.056
50V
50557030
Elec.
1
16V
50548320
Mylar
0.001
150V
50543420
High
Q
220p
50V
50554250
Elec.
10
6.3V
50554240
Elec.
33
6.3V
50543420
High
Q'220p
50V
50554050
Elec.
10
16V
50554050
Elec.
10
16V
50554030
Elec.
47
6.3V
50554260
Elec.
33
16V
50554170
Elec.
100
25V
TRANSFORMER
50562140
Transformer,
Output
3k2:8Q

Other manuals for Teac A-3340

Related product manuals