EasyManua.ls Logo

Teac A-3340 - METER AND REC.EG.AMPLIFIER PARTS

Teac A-3340
102 pages
Print Icon
To Next Page IconTo Next Page
To Next Page IconTo Next Page
To Previous Page IconTo Previous Page
To Previous Page IconTo Previous Page
Loading...
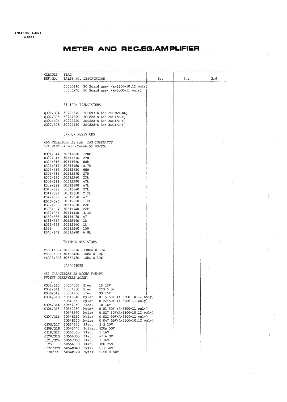
PARTS
LIST
A-3300
METER
AND
REC.EG.AMPLIFIER
CIRCUIT
TEAC
REF.NO.
PARTS
NO.
DESCRIPTION
ist
2nd
50505210
PC
Board
Assy
(A-3300-10,12
only)
50505240
PC
Board
Assy
(A-3300-11
only)
SILICON
TRANSISTORS
Q301/304
50423870
2SC693-G
(or
28C369-BL)
Q302/305
50424220
2SC828-S
(or
28C372-Y)
Q303/306
50424220
28C828-S
(or
28C372-Y)
Q307/308
50424220
2SC828-S
(or
2SC372-Y)
ALL
RESISTORS
IN
OHM,
10%
TOLERANCE
UNLESS
OTHERWISE
NOTED.
1/4
WATT
R301/314
R302/315
R303/316
R304/317
R305/318
R306/319
R307/320
R308/321
R309
/322
R310/323
R311/324
R312/325
R313/326
R327/333
R328/334
R329/335
R330/336
R331/337
R332/338
R339
R340+
341
VR301/304
VR302
/305
VR303/306
ALL
CAPACITORS
IN
MICRO
FARADS
CARBON
RESISTORS
50515650
50515270
50515620
50515460
50515320
50515270
50515540
50515590
50515590
50515540
50515380
50515170
50515350
50515630
.
50515540
50515410
50515170
50515340
50515340
50515240
50515490
TRIMMER
RESISTORS
50533670
.
330k2
B
10¢
50533480
10k2
B
10¢
50533480
10k2
B
10¢
CAPACITORS
120k
270
68k
4.7k
680
270
22k
47k
47k
22k
2.2k
47
1.2k
82k
22k
3.3k
47
1k
1k
150
6.
8k
UNLESS
OTHERWISE
NOTED.
€301/310
€302/311
€303/312
€304/313
€305/314
€306/315
€307/316
€308/317
€309/318
C319/322
€320/323
C321/324
C325
C328/329
330/331
50554050
Elec.
10
16V
50554330
Elec.
220
6.3V
50554260
Elec.
33
16V
50548310
Mylar
0.15
50V
(A-3300-10,12
only)
50549550
Mylar
0.22°50V
(A-3300-11
only)
50554050
Elec.
10
16V
50549460
Mylar
0.01
50V
(A-3300-11
only)
50548330
Mylar
0.027
50V(A-3300-10,12
only)
50548290
Mylar
0.022
50V(A-3300-11
only)
50548270
Mylar
0.047
50V(A-3300-10,12
only)
50554220
Elec.
3.3
25V
50543440
Polyst.
820p
50V
50557030
Elec.
1
16V
50554030
Elec.
47
6.3V
50557030
Elec.
1
16V
50554170
Elec.
100
25V
50548040
Mylar
0.1
50V
50548120
Mylar
0.0015
50V
3rd

Other manuals for Teac A-3340

Related product manuals