EasyManua.ls Logo

Teac A-3340 - MIC AND PLAYBACK EQ. AMPLIFIER PARTS LIST

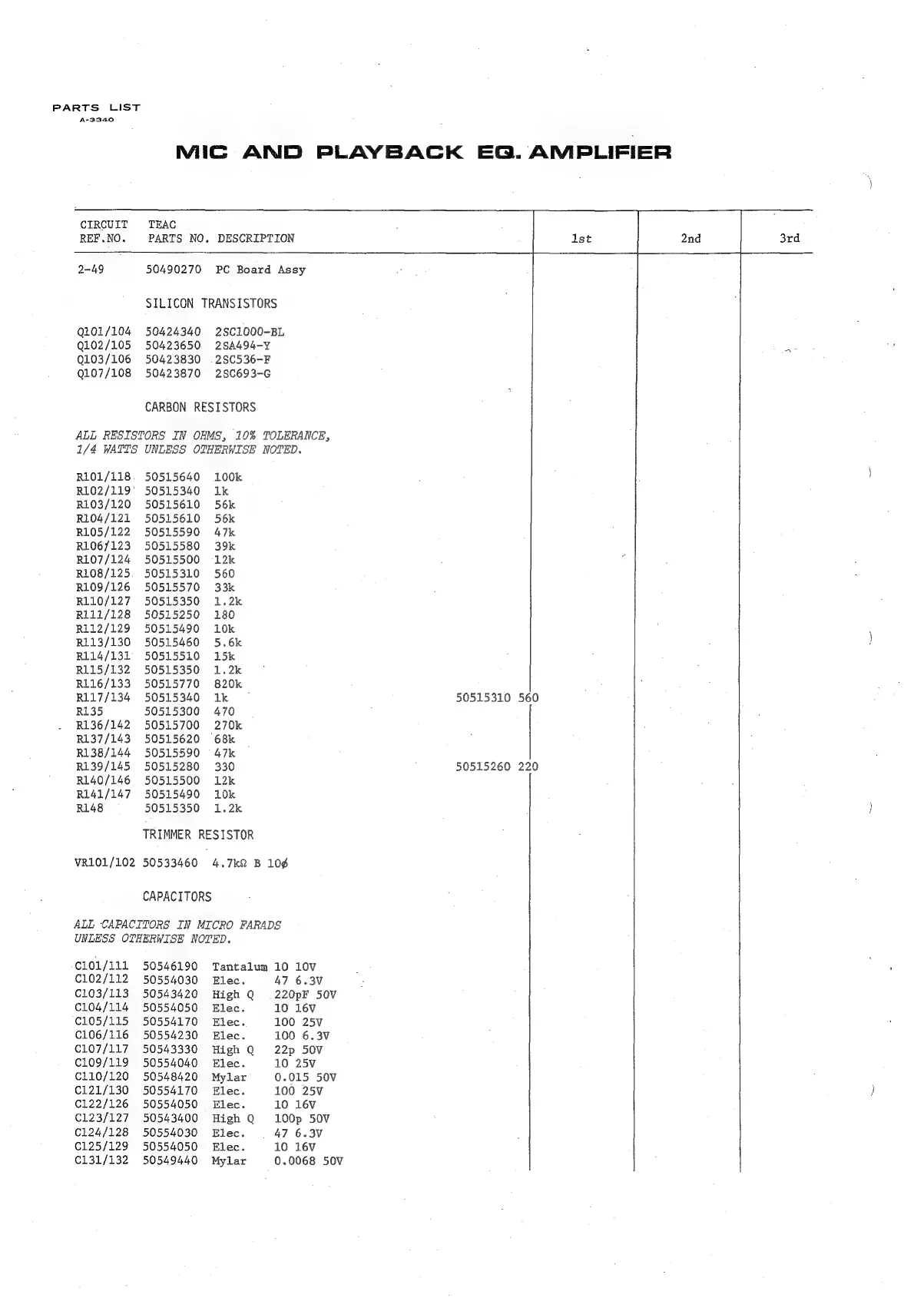
Teac A-3340
102 pages
Print Icon
To Next Page IconTo Next Page
To Next Page IconTo Next Page
To Previous Page IconTo Previous Page
To Previous Page IconTo Previous Page
Loading...
PARTS
LIST
A-2340
CIRCUIT
REF.NO.
2-49
Qto1/104
Q102/105
Q103/106
Q107/108
Mic
AND
PLAYBACK
EQ.
AMPLIFIER
TEAC
PARTS
NO.
DESCRIPTION
50490270
PC
Board
Assy
SILICON
TRANSISTORS
50424340
2SC1000-BL
50423650
2SA494-Y
50423830
.2SC536-F
50423870 2SC693-G
CARBON
RESISTORS
ALL
RESISTORS
IN
OHMS,
10%
TOLERANCE,
1/4
WATTS
R1LO1/118
R102/119°
R103/120
R104/121
R105/122
R106/123
RLO7/124
RL08/125
R109/126
R110/127
R111/128
R112/129
R1L13/130
R114/131
R1L15/132
R116/133
RL17/134
R135
R136/142
R137/143
R138/144
R139/145
R140/146
R141/147
R148
VR1O1/102
UNLESS
OTHERWISE
NOTED.
50515640
100k
50515340
1k
50515610
56k
50515610
56k
50515590
47k
50515580
39k
50515500
12k
50515310
560
50515570
33k
50515350
1.2k
50515250
180
50515490
10k
50515460
5.6k
50515510
15k
50515350
1.2k
50515770
820k
50515340
1k
©
50515300
470
50515700
270k
50515620
68k
50515590
47k
50515280
330
50515500
12k
50515490
10k
50515350
1.2k
TRIMMER
RESISTOR
50533460
4.7k2
B
10¢
CAPACITORS
ALL
CAPACITORS
IN
MICRO
FARADS
UNLESS
OTHERWISE
NOTED.
C101/111
102/112
C103/113
C104/114
C105/115
C106/116
C107/117
C1LO9/119
C110/120
C€121/130
€122/126
123/127
C124/128
125/129
131/132
50546190
Tantalum
10
10V
50554030
Elec.
47
6.3V
50543420
High
Q
220pF
50V
50554050
Elec.
10
16V
50554170
Elec.
100
25v
50554230
Elec.
100
6.3V
50543330
High
Q
22p
5OV
50554040
Elec.
10
25V
50548420
Mylar
0.015
50V
50554170
Elec.
100
25V
50554050
Elec.
10
16V
50543400
High
Q
100p
50V
50554030
Elec.
47
6.3V
50554050
Elec.
10
16V
50549440
Mylar
0.0068
50V
50515310
560
1st
|
2nd
3rd

Other manuals for Teac A-3340

Related product manuals