EasyManua.ls Logo

Teac A-3340 - METER AND REC. EG. AMPLIFIER PARTS LIST

Teac A-3340
102 pages
Print Icon
To Next Page IconTo Next Page
To Next Page IconTo Next Page
To Previous Page IconTo Previous Page
To Previous Page IconTo Previous Page
Loading...
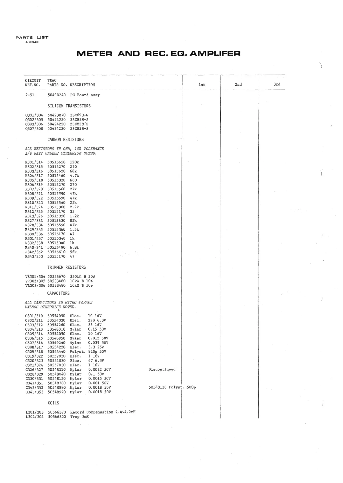
PARTS
LIST
A-3340
CIRCUIT
REF.NO.
TEAC
PARTS
NO.
METER
AND
REC.
EG.
AMPLIFER
DESCRIPTION
-
lst
2nd
3rd
2-3i
Q301/304
Q302/305
Q303/306
Q307/308
50490240
PC
Board
Assy
SILICON
TRANSISTORS
50423870
50424220
50424220
50424220
28C693-G
28C828-S
2SC828-S
2SC828-S
CARBON
RESISTORS
ALL
RESISTORS
IN
OHM,
10%
TOLERANCE
UNLESS
OTHERWISE
NOTED.
1/4
WATT
R301/314
R302/315
R303/316
R304/317
R305/318
R306/319
R307/320
R308/321
R309/322
R310/323
R311/324
R312/325
R313/326
R327/333
R328/334
R329/335
R330/336
R331/337
R332/338
R340:
341
R342/352
R343/353
VR301/304
VR302/305
VR303/306
50515650
50515270
50515620
50515460
50515320
50515270
50515560
50515590
50515590
50515540
50515380
50515170
50515350
50515630
50515590
50515360
50515170
50515340
50515340
50515490
50515610
50515170
120k
270
68k
4.7k
680
270
27k
47k
47k
22k
2.2k
33
1.2k
82k
47k
1.5k
47
1k
1k
6.8k
56k
47
TRIMMER
RESISTORS
50533670
50533480
50533480
330k2
B
10¢
10kQ2
B
10¢
10kQ
B
10¢
CAPACITORS
ALL
CAPACITORS
IN
MICRO
FARADS
UNLESS
OTHERWISE
NOTED.
§
301/310
€302/311
€303/312
€304/313
305/314
€306/315
€307/316
€308/317
€309/318
319/322
€320/323
321/324
€326/327
328/329
€330/331
€341/351
€342/352
€343/353
301/303
302/304
50554050
50554330
50554260
50548310
50554050
50548950
50549240
50554220
50543440
50557030
50554030
50557030"
50548210
50548040
50548120
50548780
50548880
50548920
COILS
50566370
50566300
Elec.
10
16V
Elec.
220
6.3V
Elec.
33
16V
Mylar
0.15
50V
Elec.
10
16V
Mylar
0.012
50V
Mylar
0.039
50V
Elec.
3.3 25V
Polyst.
820p
50V
Elec.
1
16V
Elec.
47
6.3V
Elec.
1
16V
Mylar
0.0022
50V
Mylar
0.1
50V
Mylar
0.0015
50V
Mylar
0.001
50V
Mylar
0.0018
50V
Mylar
0.0018
50V
Record
Compensation
2.4v4.2mH
Trap
3mH
Discontinued
50543130
Polyst.
500p

Other manuals for Teac A-3340

Related product manuals