EasyManua.ls Logo

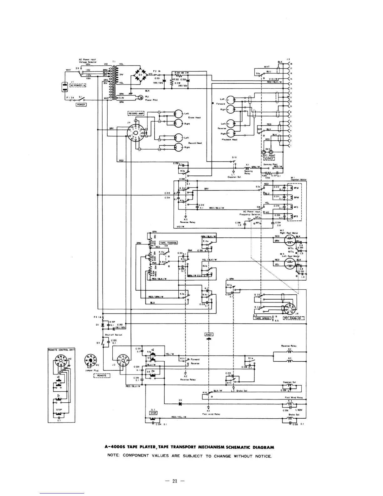
Teac A-4010S - A-40005 Tape Player, Tape Transport Mechanism Schematic Diagram

Teac A-4010S
23 pages
Print Icon
To Next Page IconTo Next Page
To Next Page IconTo Next Page
To Previous Page IconTo Previous Page
To Previous Page IconTo Previous Page
Loading...

Related product manuals