EasyManua.ls Logo

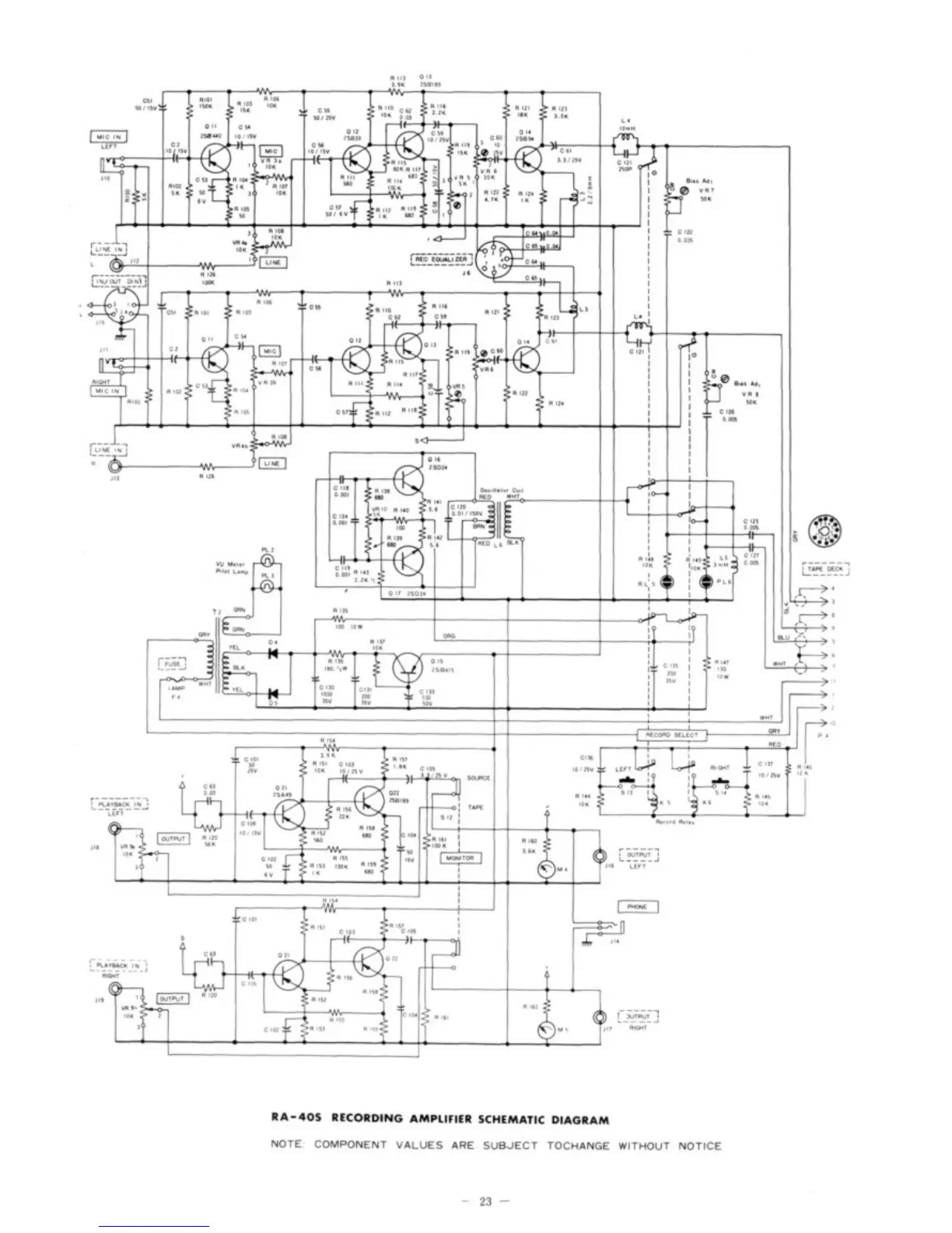
Teac A-4010S - RA-405 Recording Amplifier Schematic Diagram

Teac A-4010S
23 pages
Print Icon
To Previous Page IconTo Previous Page
To Previous Page IconTo Previous Page
Loading...

Related product manuals