EasyManua.ls Logo

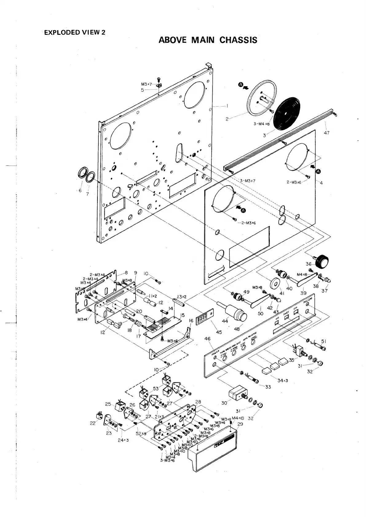
Teac A-7010 - Above Main Chassis Assembly

Teac A-7010
33 pages
Print Icon
To Next Page IconTo Next Page
To Next Page IconTo Next Page
To Previous Page IconTo Previous Page
To Previous Page IconTo Previous Page
Loading...
‘EXPLODED
VIEW
2
ABOVE
MAIN
CHASSIS
———

Related product manuals