EasyManua.ls Logo

Teac CD-P1250 - Page 12

Teac CD-P1250
13 pages
Print Icon
To Next Page IconTo Next Page
To Next Page IconTo Next Page
To Previous Page IconTo Previous Page
To Previous Page IconTo Previous Page
Loading...
86 74 52 31
E
D
C
B
A
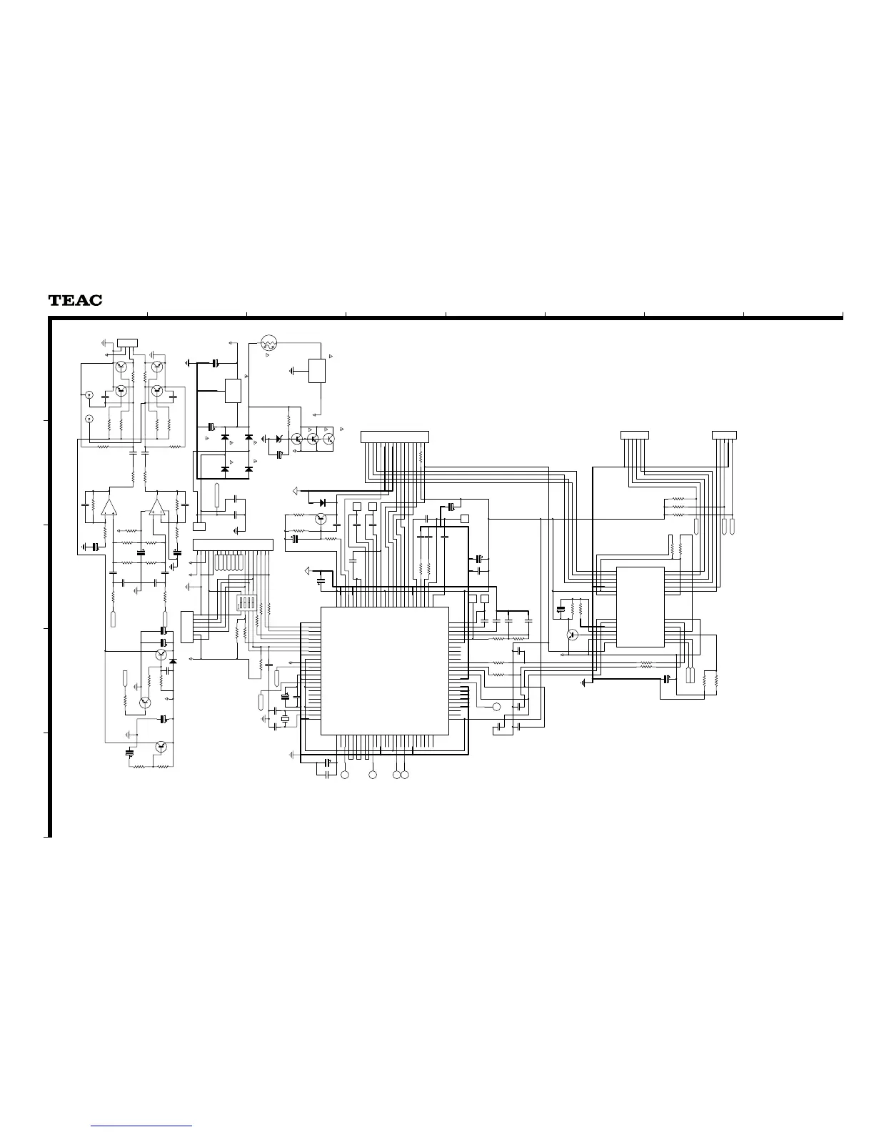
SCHEMATIC DIAGRAM
CD-P1250
MAIN PCB
COMPACT DISC PLAYER
CCDD--PP11225500
1 st Issue; April 2002
NOTES:
1. Resistor values are in ohms (k=kilo-ohms, M=megohms).
2. Capacitor values are in microfarads (p=picofarads).
3. £Parts marked with this sign are safety critical components.
They must always be replaced with identical components-refer
to the appropriate parts list and ensure exact replacement.
S101
SW DIP-4
1
CN6
TP
1
2
3
4
5
6
CN2
PH6
1
2
3
4
5
CN1
PH5
C11
0.1u
D.GND
1
RFOK
2
RST
3
A0
4
STB
5
SCK
6
SO
7
SI
8
XTALEN
9
D.Vdd
10
DA.Vdd
11
ROUT
12
DA.GND
13
REGC
14
DA.GND
15
LOUT
16
DA.Vdd
17
R+
18
R-
19
L-
20
L+
21
X.Vdd
22
XTAL
23
XTAL
24
X.GND
25
D.Vdd
26
EMPH
27
FLAG
28
DIN
29
DOUT
30
SCKIN
31
SCKO
32
LRCKIN
33
LRCK
34
HOLD/WDCK
35
Tx
36
D.GND
37
C16M
38
LIMIT
39
D.Vdd
40
LOCK
41
RFCK
42
MIRR/WFCK
43
PLCK
44
D.GND
45
C1D1
46
C1D2
47
C2D1
48
C2D2
49
C2D3
50
D.Vdd
51
PACK
52
TSO
53
TSI
54
TSCK
55
TSTB
56
D.GND
57
TEST0
58
TEST1
59
ATEST
60
A.GND
61
FD
62
TD
63
SD
64
MD
65
DAC0
66
DAC1
67
DAC2
68
DAC3
69
A.Vdd
70
EFM
71
ASY
72
C3T
73
RFI
74
AGCO
75
AGCI
76
RFO
77
EQ2
78
EQ1
79
RF-
80
A.GND
81
A
82
C
83
B
84
D
85
F
86
E
87
A.Vdd
88
REFOUT
89
FE-
90
FEO
91
TE-
92
TEO
93
TE2
94
TEC
95
A.GND
96
PD
97
LD
98
PN
99
A.Vdd
100
IC3
uPD63711
LO F IN
1
LO R IN
2
LO V CON
3
MUTE1 LOW
4
SD IN
5
MD IN
6
PREVcc 8V
7
POWVcc 5V
8
LO R OUT
9
LO F OUT
10
MD OUT-
11
MD OUT+
12
SD OUT-
13
SD OUT+
14
FD OUT+
15
FD OUT-
16
TD OUT+
17
TD OUT-
18
GND
19
POWVcc 5V
20
MUTE2 LOW
21
TD IN
22
FD IN
23
GND
24
VBG+
25
VBG OUT
26
RVcc
27
BIAS
28
IC1
BA5813FM
1
2
3
4
5
6
7
8
9
10
11
12
13
14
15
16
CN3
FFC16
To Power PCB
C20
0.1u
C19
0.1u
1
2
CN10
Con2
E13
4700u/25
R26
10R 1/4W
E12
2200u/10
E5
220u/10
C8
4p
C29
22p
C9
0.1u
C1
47n
C24
1n
C2
10n
C21
12p
C5
10n
C10
0.1u
HFO
AGCO
EFM
E7
10u/16
E10
100u/10
E2
220u/10
C27
56p
C28
27p
FE
TE
C26
1n
R28
22k
R27
10R
E11
100u/10
R25
470R
C25
1n
E1
220u/10
E4
220u/10
E3
220u/10
C3
10n
C4
10n
C7
4.7n
C6
4.7n
X1
16.9344MHz
C22
12p
C23
12p
1
2
3
4
5
6
7
8
9
10
11
12
13
14
15
16
17
18
19
CN9
CON19
TM+
TM-
TM+
TM-
Driver-M
Pu-In
Open
A-Mute
Pu-In
Open
R31
100R
R33
4.7k
R12
10k
R30
100R
R32
20k
+5V
R29
22k
C32
330p
+5V
Up
Up
R5
100k
R6
100k
R7
100k
R9
10k
R10
10k
12V-AC1
+5V
+8V
+8V
1
2
3
4
CN11
PH5
RCH
LCH
+8V
To Headphone PCB
E8
10u/16
E9
10u/16
C16
1u
C17
1u
R2
47k
R3
47k
R40
1.5k
R41
1.5k
C30
1n
C31
1n
R19
47R
R20
47R
Q4
2SC2240BL
Q5
2SC2240BL
Q6
2SC2240BL
Q7
2SC2240BL
R37
22k
R36
22k
R35
22k
R34
22k
Q3
2SA933
+8V
Q8
2SD1936
A-Mute
R38
3.3k
R8
10k
R39
3.3k
R42
22R
E6
220u/10
R
RCA1A
RCA2
L
RCA1B
RCA2
Close SW
GND
Open SW
Tray Motor-
Tray Motor+
Spindle Motor +
Spindle Motor -
Sled Motor+
Sled Motor-
PU SW
PU SW
Vcc
E
D
A
B
C
F
GND
LD
VR
MD
F+
T+
T-
F-
R18
47R
R21
2.2k
R22
2.2k
Q2
2SA933
D5
1SS133
D1
1.3A
D2
1.3A
D4
1.3A
D3
1.3A
To uCom / Key PCB
R23
1k
R24
1k
R11
10k
R17
39k
R13
3 9k
R14
18k
R4
6.8k
R1
27k
Q1
B1375
R16
5.6k
R15
18k
1
CN7
TP
1
CN8
TP
1
CN4
TP
1
CN5
TP
in
1
G
3
out
2
IC2
7805
in
1
G
3
out
2
IC4
7808
C12
10n
E14
22u
ATest
Mirr/WFCK
Flag
Hold/WDCK
Lock
Sig-R
Sig-L
R50
27k
R43
27k
R48
100k
R49
100k
R45
100k
R44
100k
R46
3.3k
R47
3.3k
C15
560p
C14
560p
C18
180p
C13
180p
+9V
+8V
Sig-R
Sig-L
1
2
3
4
5
6
7
CN12
CON7
+5V
E16
2200u/10V
E15
2200u/10V
R52
10k
R51
10k
Q13
2SC2240BL
Q12
2SC2240BL
Q11
2SC2240BL
D6
10V
+9V
R53
1.8k
E17
220u
E18
1u
R54
3.3k
Q14
2SA933
R55
100k
D7
1.3A
C33
0.1u
C34
1u
C35
1u
OP1A
JRC4558
OP1B
JRC4558

Other manuals for Teac CD-P1250

Related product manuals