EasyManua.ls Logo

Teac CX-270 - Block Diagram; System Overview

Teac CX-270
28 pages
Print Icon
To Next Page IconTo Next Page
To Next Page IconTo Next Page
To Previous Page IconTo Previous Page
To Previous Page IconTo Previous Page
Loading...
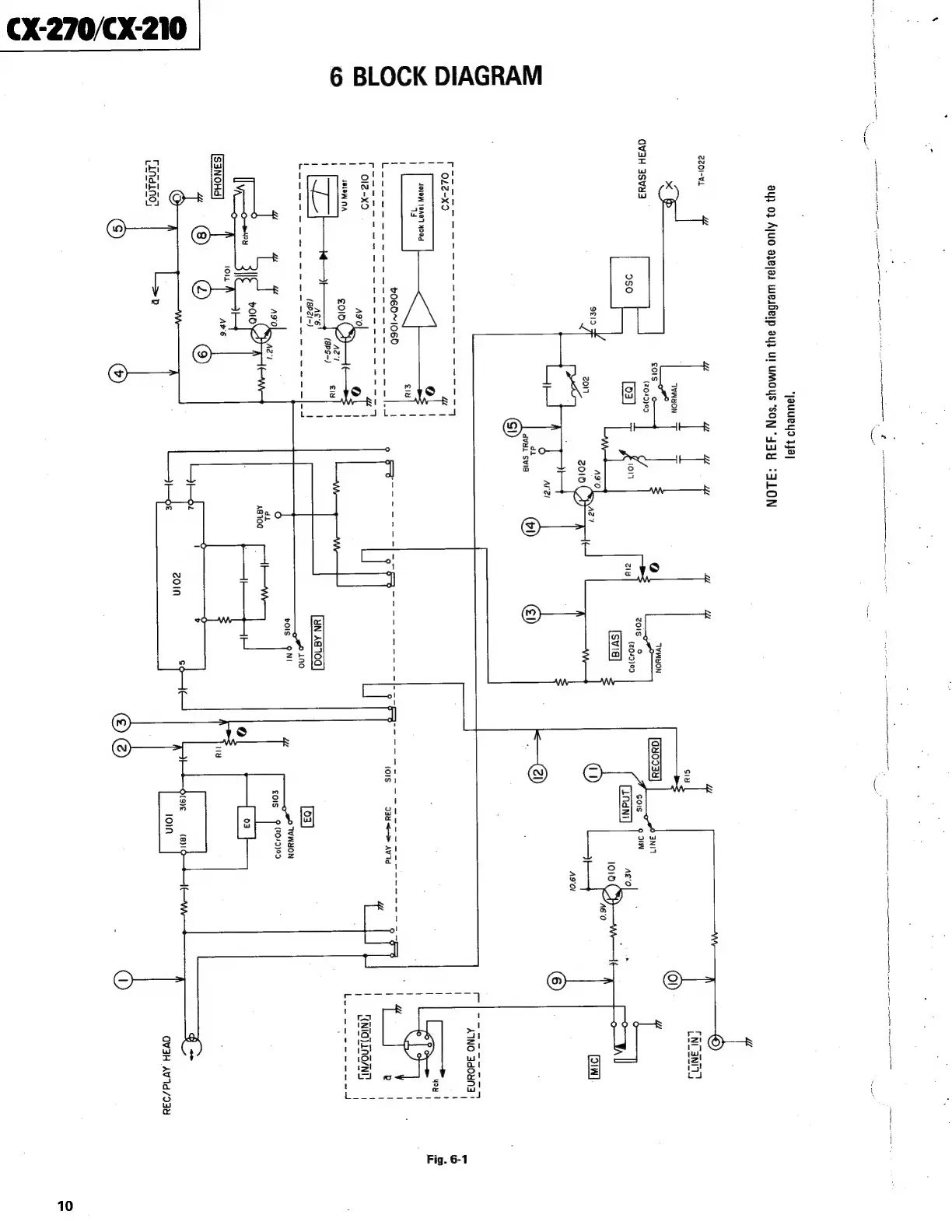
CX-270/CX-210
6
BLOCK
DIAGRAM
9£19
2on
di
dvul
Svig
IGN
NA
ALE
Noe
eee
*jauueyd
12]
ay}
0}
Ajuo
ayejas
wesbeip
ay)
ul
UMOYs
“SON
“44H
?SLON
220I-wd
:
ir}
x
&
WWHON
ols
7)
WHUON
aqsoo3u
QvaH
asvua
{eol2I°9
errs
2s0
[03]
zy
(2049)09
C))
@i)
{ols
6
3NI7
sols
oIW
(inani]
238
<->
AV
Id
0
1VAYNON
€o1s
FP
(#049)09
Wr
J
OV3H
AV1d/934
Fig.
6-1
10

Related product manuals