EasyManua.ls Logo

Teac DV-H350 - Anschlüsse

Teac DV-H350
84 pages
Print Icon
To Next Page IconTo Next Page
To Next Page IconTo Next Page
To Previous Page IconTo Previous Page
To Previous Page IconTo Previous Page
Loading...
20
DEUTSCH
Anschlüsse (1)
VORSICHT
Schalten Sie vor der Anschlussherstellung
alle Geräte aus. Lesen Sie jeweils
sorgfältig die Bedienungsanleitung der
Geräte, die zusammen mit diesem
verwendet werden sollen.
Achten Sie auf eine einwandfreie
Anschlussherstellung. Um Brummstörungen
zu vermeiden sollten die Anschlusskabel
nicht zusammen mit dem Netzkabel oder den
Lautsprecherkabeln gebündelt werden.
Netzkabel
< Das Netzkabel darf nur an eine
Netzsteckdose angeschlossen werden,
welche die zulässige Netzspannung
liefert.
<
Beim Einstecken oder Abtrennen muss
das Netzkabel am Netzstecker gehalten
werden.
<
Bei angeschlossenem Netzkabel nimmt
das Gerät auch im ausgeschaltetem
Zustand stets eine geringe Leistung auf.
Bei längerem Nichtgebrauch des Geräts
sollte daher das Netzkabel abgetrennt
werden.
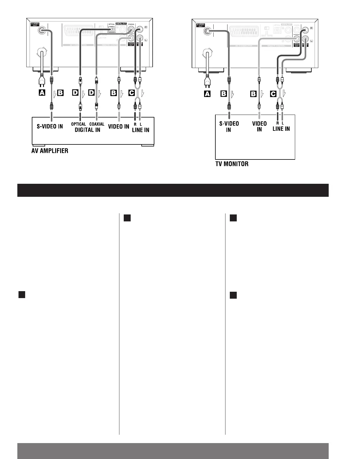
A
VIDEO- oder S-VIDEO-Buchse
Schließen Sie die Komponenten mittels
eines Cinchsteckerkabels an.
VIDEO OUT (DV-H350) w VIDEO IN
Bei Anschlussherstellung per S-VIDEO-
Buchse kann eine verbesserte Bildqualität
erzielt werden. Falls die anzuschließende
Komponente über einen S-VIDEO-
Anschluss verfügt, den Anschluss mittels
eines S-VIDEO-Kabels herstellen.
S-VIDEO OUT (DV-H350) w S-VIDEO IN
Hinweis:
Der gemischte Betrieb von VIDEO und S-
VIDEO ist nicht möglich. Wenn Sie die S-
VIDEO-Anschlüsse verwenden, müssen
Sie alle Videokomponenten (DVD Player,
Videorecorder, Monitor, usw.) über die S-
VIDEO-Anschlüsse verbinden.
<
Erfolgt der Anschluss bei
zwischengeschaltetem Videorekorder,
kann es im Falle einer kopiergeschützten
DVD zu Wiedergabebildverzerrungen
kommen.
B
AUDIO OUT-Buchsen
Schließen Sie die Komponente mittels
eines Cinchsteckerkabels an.
AUDIO OUT (DV-H350) w LINE IN
Bitte unbedingt beachten :
Weißer Stecker an weiße Buchse (L: links)
Roter Stecker an rote Buchse (R: rechts)
DIGITAL OUT-Buchse
Schließen Sie die Komponente mittels
eines Koaxial- oder Lichtleiterkabels an.
DIGITAL OUT (DV-H350) w DIGITAL IN
<
Entweder die OPTICAL- oder die
COAXIAL-Buchse belegen.
<
Sollen die DIGITAL OUT OPTICAL-
Buchsen verwendet werden, müssen
jeweils die Buchsenkappen abgenommen
werden. Werden diese Buchsen nicht
verwendet, müssen die Kappen
angebracht bleiben.
Wählen Sie den für den vorliegenden
Anschluss geeigneten Audioausgangs-
modus (siehe Seite 67).
D
C

Other manuals for Teac DV-H350

Related product manuals