EasyManua.ls Logo

Teac Esoteric R-9000 - Step-up Coil Check; Bias Trap (REC) Adjustment; Built-in Oscillator Adjustment

Teac Esoteric R-9000
58 pages
Print Icon
To Next Page IconTo Next Page
To Next Page IconTo Next Page
To Previous Page IconTo Previous Page
To Previous Page IconTo Previous Page
Loading...
'R-9000/V-9000_-
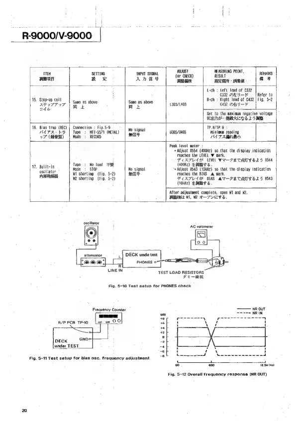
11
SETTING
TAPUT
SIGNAL
paged
SEASIRING
POINT,
AEHARKS
©
4
(or
CHECK)
RESULT
BBR
RE
AN
8 F
Ee
ROENT
-
A
is
L-ch
:
Left
lead:of
(332
C332
MAU—K
Refer
to
15.
Step-up
coil
R-ch
:
Right
tead
of
0432
|
Fig.
9-2
RRYTP
7
|
pane
BS
adove
sane
ce
a
«303/403
Ca?
YK
ude
:
Set
to
the
maxitum
negative
voltage
OCHIIIDS—-GUiBANC
&
&
3
HA
16.
Bias trap
(REC)
{.
Connection
;
Fig.5-9
Ko
signal
TP.8/1P.9
:
WAPR-bF
Tape
:
HIT-5571
(METAL)
pote
0305/0405
Hinisua
reading
yD
(See)
Hode
©:
RECORD
vias
284
PAR)
Peak
level
meter
:
Adjust
R554
(400HZ)
so
that
the
display
indication
reaches
the
LEVEL
W
mark,
FARTFVAM
LEVEL
WR-
AHR
CHT
TS
HS
RGA
17,
Built-in
Tape
:
No
toad
758
(400H2)
SHEETS.
-
cMator
Mode
:
STOP
Ko
signal
+
Adjust
R543
(10KHZ)
so
that
the
display
indication
Pees
WI
shorting
(Fig.
5-2)
Eris
Peaches
the
BIAS
a
oark.
W2
shorting
(Fig.
5-2)
FARTVAI
BIS
AV—-ARTHET
FS
LI,
RAG.
(10KH2)
HRT
S.
?
After
adjustaent
complete,
open
W1
and
W2.
L
PEAKE
HI,
We
A-THIEGS.
oscillator
AC
voltmeter
LINE
IN
TEST
LOAD
RESISTORS
F
=
eT
Fig.
5-10
Test
setup
for
PHONES
check
Frequency
Counter
on
+8
fasHeses
a.
R/P
PCB
P10
Lx
ee
OO
+6
H
\
SEs
of
42
°
DECK
‘GND
i
2
under
TEST.
~at
/\.
,
-
1
\
a
-
~6
ba
e-.
J
L---=---------.
4
Fig.
5-11
Test
setup
for
bias
osc.
frequency
adjustment
1
"|
a
400
12.56
04)
Fig,
5-12
Overall
frequency
response
(NR
OUT)
20

Related product manuals