EasyManua.ls Logo

Teac Esoteric R-9000 - Exploded View 1 (R-9000) - Continued

Teac Esoteric R-9000
58 pages
Print Icon
To Next Page IconTo Next Page
To Next Page IconTo Next Page
To Previous Page IconTo Previous Page
To Previous Page IconTo Previous Page
Loading...
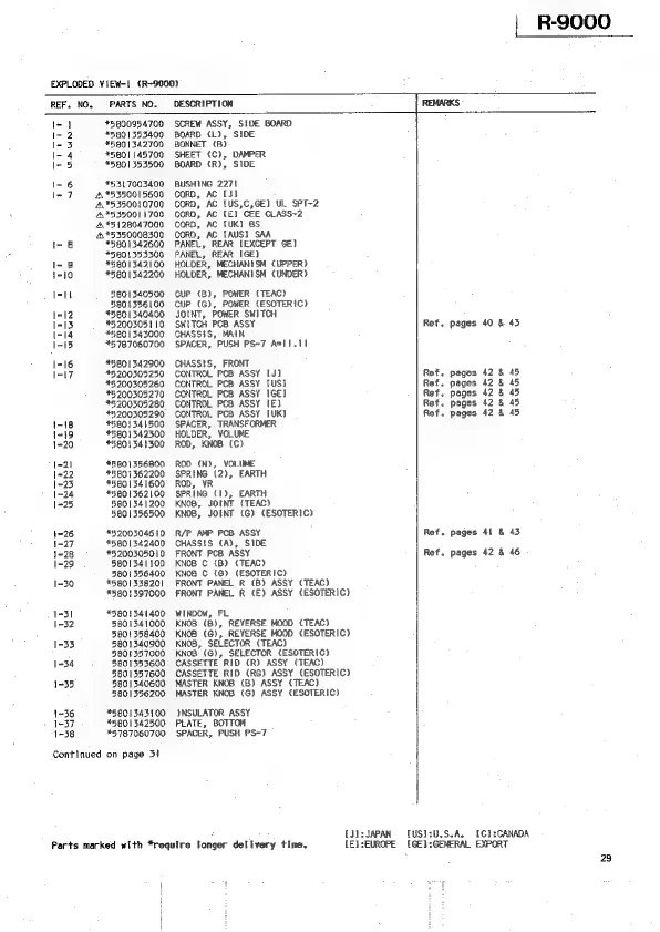
EXPLODED
YIEW-I
(R~9000)
9000
REF.
NO.
PARTS
NO.
DESCRIPTION
REMARKS
fe
4
*5800954700
SCREW
ASSY,
SIDE
BOARD
1-2
*5801353400
BOARD
(L),
SIDE
I-
3
*5801342700
BONNET
(B)
I-
4
*5801145700
SHEET
(C),
DAMPER
I-
5
*5801553500
BOARD
(R),
SIDE
I-
6
*5317003400
BUSHING
227!
I-
7
A*5350015600
CORD,
AC
[J]
A*5350010700
CORD,
AC
{US,C,GE]
UL
SPT-2
4*5350011700
CORD,
AC
{E]
CEE
CLASS-2
A*5128047000
CORD,
AC
[UK]
8S
4*5350008300
CORD,
AC
[AUS]
SAA
{I-
8
5801342600
PANEL,
REAR
LEXCEPT
GE)
*5801353300
PANEL,
REAR
[GE]
i+
9
*5801342100
HOLDER,
MECHANISM
(UPPER)
1-40
*5801342200
HOLDER,
MECHANISM
(UNDER)
I=1t
5801340500
CUP
(B),
POWER
(TEAC)
5801356100
CUP
(G),
POWER
(ESOTERIC)
1-12
*5801340400
JOINT,
POWER
SWITCH
I-13
*5200305110
SWITCH
PCB
ASSY
Ref.
pages
40
&
43
I-14
¥*5801343000
CHASSIS,
MAIN
I-15
*5787060700
SPACER,
PUSH PS~7
A=I1.11
1-16
5801342900
CHASS!S,
FRONT
I-17
*5200305250
CONTROL
PCB
ASSY
[J]
Ref.
pages
42
&
45
%*5200305260
CONTROL
PCB
ASSY
[US] Ref.
pages
42
&
45
*5200305270
CONTROL
PCB
ASSY
IGE]
Ref.
pages
42
&
45
*5200305280
CONTROL
PCB
ASSY
[E}
Ref,
pages
42
&
45
5200305290
CONTROL
PCB
ASSY
LUK]
Ref.
pages
42
&
45
1-18
*§801341500
SPACER,
TRANSFORMER
1-19
*580}342300
HOLDER,
VOLUME
1-20
*5801341300
ROD,
KNOB
(C)
1-21
%*5801356800
ROD
(N),
VOLUME
1-22
5801362200
SPRING
(2),
EARTH
[-23
*5801341600
ROD,
VR
1-24
5801362100
SPRING
(1),
EARTH
1-25
5801341200
KNOB,
JOINT
(TEAC)
5801356500
KNOB,
JOINT
(G)
(ESOTERIC)
1-26
*5200304610
R/P
AMP PCB
ASSY
Ref..
pages
41
&
43
{-27
*5801342400
CHASSSS
{A},
SIDE
1-28
*5200305010
FRONT
PCB
ASSY
Ref.
pages
42
&
46
1-29
5801341100
KNOB
C
(B)
<TEAC)
5801356400
KNOB
C
(G)
(ESOTERIC)
1-30
*5801338201
FRONT
PANEL
R
(B)
ASSY
(TEAC)
*5801397000
FRONT
PANEL
R
(E)
ASSY
(ESOTERIC)
1-31
*5805341400
WINDOW,
FL
1-32
5801341000
KNOB
(B),
REVERSE
MOOD
(TEAC)
580!358400
KNOB
(G),
REVERSE
MOOD
(ESOTERIC)
1-33
5801340900
KNOB,
SELECTOR
(TEAC)
5801357000
KNOB
(G),
SELECTOR
(ESOTERIC)
1-34
5801353600
CASSETTE
RID
(R)
ASSY
(TEAC)
5801357600
CASSETTE
RID
(RG)
ASSY
(ESOTERIC)
1-35
5801340600
MASTER
KNOB
(B)
ASSY
(TEAC)
5801356200
MASTER
KNOB
(G)
ASSY
(ESOTERIC)
1-36
*5801343100
INSULATOR
ASSY
1-37
*5801342500
PLATE,
BOTTOM
1-38
5787060700
SPACER,
PUSH
PS-7
Continued
on
page
34
Parts
marked
with
*require
longer
delivery
time.
LE}
:EUROPE
{USI:U,S.A,
[C}3CANADA
(GEISGENERAL
EXPORT
23

Related product manuals