EasyManua.ls Logo

Teac Esoteric R-9000 - Control PCB Assy Parts List (R-9000) - Continued; Front PCB Assy Parts List (R-9000)

Teac Esoteric R-9000
58 pages
Print Icon
To Next Page IconTo Next Page
To Next Page IconTo Next Page
To Previous Page IconTo Previous Page
To Previous Page IconTo Previous Page
Loading...
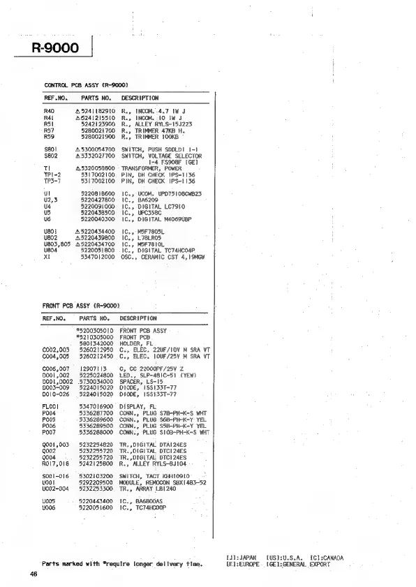
9000
CONTROL
PCB
ASSY
(R-9000)
REFNO.
PARTS
NO.
DESCRIPTION
R40
45241182910
R.,
INCOM.
.4.7
IW
J
Ral
AB241215510
R.,
INCOM.
10
IW
J
R5t
5242123900
R.,
ALLEY
ayesn
15223
R57
5280021700
R.,
TRIMMER
47KB
H.
R59
5280021900
R.,
TRIMMER
!00KB
$801
45300054700
SWITCH,
PUSH
SDDLDI
|-I
$802
45332027700
SWITCH,
VOLTAGE
SELECTOR
1-4
FS908F
[GE]
Tl
45320058800
©
TRANSFORMER,
POWER
TPI=-2
5317002100.
PIN,
DH
CHECK
1PS-1136
TP3-7
5317002100
PIN,
DH
CHECK
IPS-1136
ul
5220818600
IC.,
UCOM.
UPD75108CWB23
U2,3
5220427800
[C.,
BA6209
U4
5220091000
IC.,
DIGITAL
LC7910
U5
5220438500
IC.,
UPC358C
U6
5220040300
IC.,
DIGITAL
M4069UBP
U80}
45220434400
1C.,
M5F7805L
U802
45220439800
IC.,
L78LROS
U803,805
45220434700
1C.,
MSF7810L
U804
5220051800
.1C.,
DIGITAL
TC74HCO4P
xt
5347012000
osc:,
CERAMIC
CST
4,1
9MGH
FRONT
PCB
ASSY
(R-9000)
REF
«NO.
PARTS
NO.
DESCRIPTION
*5200305010
FRONT
PCB
ASSY
*5210305000
FRONT
PCB
5801342000
HOLDER,
FL
€002,003
5260212950
C,,
ELEC,
22UF/I0V
M
SRA
VT
004,005
5260212450
C.,
ELEC.
IOUF/25V
M
SRA
VT
006,007
=
12907113
C,
CC
22000PF/25V
Z
DOOL,002
5225024800
LED.,
SLP-48IC-51
(YEW)
DOOL,DOO2
5730034000
SPACER,
LS-I5
003-009
5224015020
DIODE,
ISSI33T-77
0010-026
5224015020
DIODE,
1SS133T-77
FLOOL
5347016900
DISPLAY,
FL
PO0O4
5336287700
CONN.,
PLUG
S7B-PH-K~S
WHT
POOS
5336289600
CONN.,
PLUG
S6B-PH-K-Y
YEL
POO06
5336289500
CONN.,
PLUG
S5SB-PH-K-Y
YEL
POO7
5336288000
CONN.,
PLUG
SIOB-PK-K-S
WHT
Q001,003
5232254820
TR.,DIGITAL
DTAI24ES
Q002
5232255720
TR.,DIGITAL
DICI24ES
Q004
5232255720
TR.,DIGITAL
DICI24ES
ROI7,018
5242125800
R.,
ALLEY
RYLS-8J104
$001-016
5302103200
SWITCH,
TACT
KHHi0910
uddl
5292209500
MODULE,
REMOCON
SBX/483-52
U002-004
5232253300.
TR.,
ARRAY
LBI240
005
»
5220443400
IC.,
BA6SOOAS
O06
5220051600
IC.,
TC74HCOOP
:
E41:JAPAN
LUS]:U.S.A.
{C3
:CANADA
Parts
marked
with
*require
longer
dellvery
time.
LE1SEUROPE
._
[GE1:GENERAL
EXPORT
46

Related product manuals