EasyManua.ls Logo

Teac Esoteric UX-3 Pi - Connecting to Amplifiers and Audio Devices

Teac Esoteric UX-3 Pi
100 pages
Print Icon
To Next Page IconTo Next Page
To Next Page IconTo Next Page
To Previous Page IconTo Previous Page
To Previous Page IconTo Previous Page
Loading...
AUDIO IN
R L
AUDIO IN
RL
DIGITAL IN
(COAXIAL)
DIGITAL IN
(OPTICAL)
HDMI i.LINK
(AUDIO)
A F
GH G
H
12
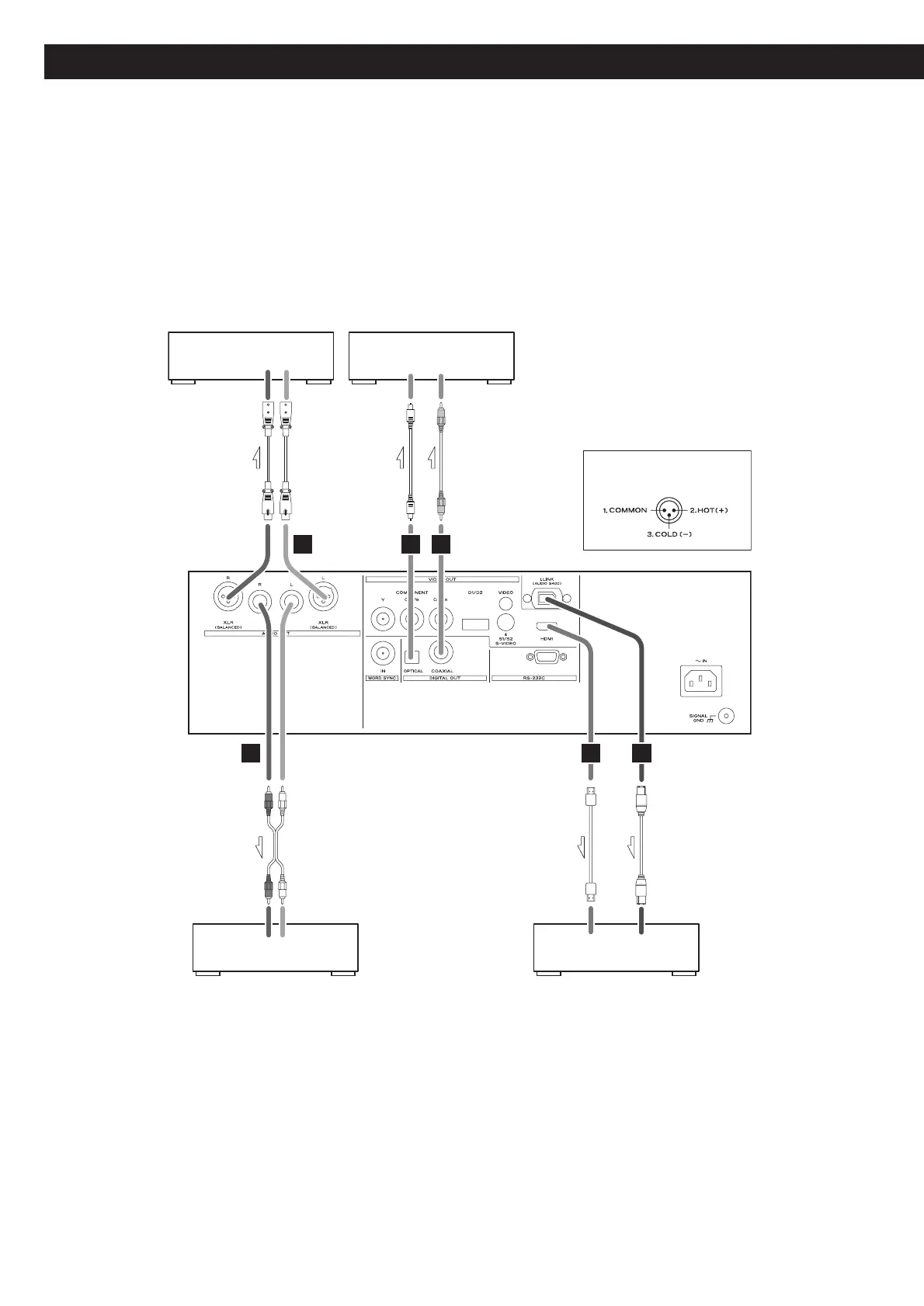
Connection to an amplifier etc. (1)
CAUTION:
<
Switch off the power to all equipment before making connection.
<
Read the instructions of each component you intend to use with this unit.
<
Be sure to insert each plug securely. To prevent hum and noise, avoid bundling the
signal interconnection cables together with the AC power cord or speaker cables.
RCA coaxial cable
optical digital cable
Stereo amplifier
Decoder-equipped amplifier
Digital audio device
(CD recorder, MD deck, etc.)
i.LINK cable
HDMI cable
Balanced XLR pin
assignment
RCA cable
XLR cable
Stereo amplifier

Table of Contents

Related product manuals