EasyManua.ls Logo

Teac Esoteric UX-3 Pi - Raccordement À un Amplificateur, Etc

Teac Esoteric UX-3 Pi
100 pages
Print Icon
To Next Page IconTo Next Page
To Next Page IconTo Next Page
To Previous Page IconTo Previous Page
To Previous Page IconTo Previous Page
Loading...
AUDIO IN
R L
AUDIO IN
RL
DIGITAL IN
(COAXIAL)
DIGITAL IN
(OPTICAL)
HDMI i.LINK
(AUDIO)
A F
GH G
H
60
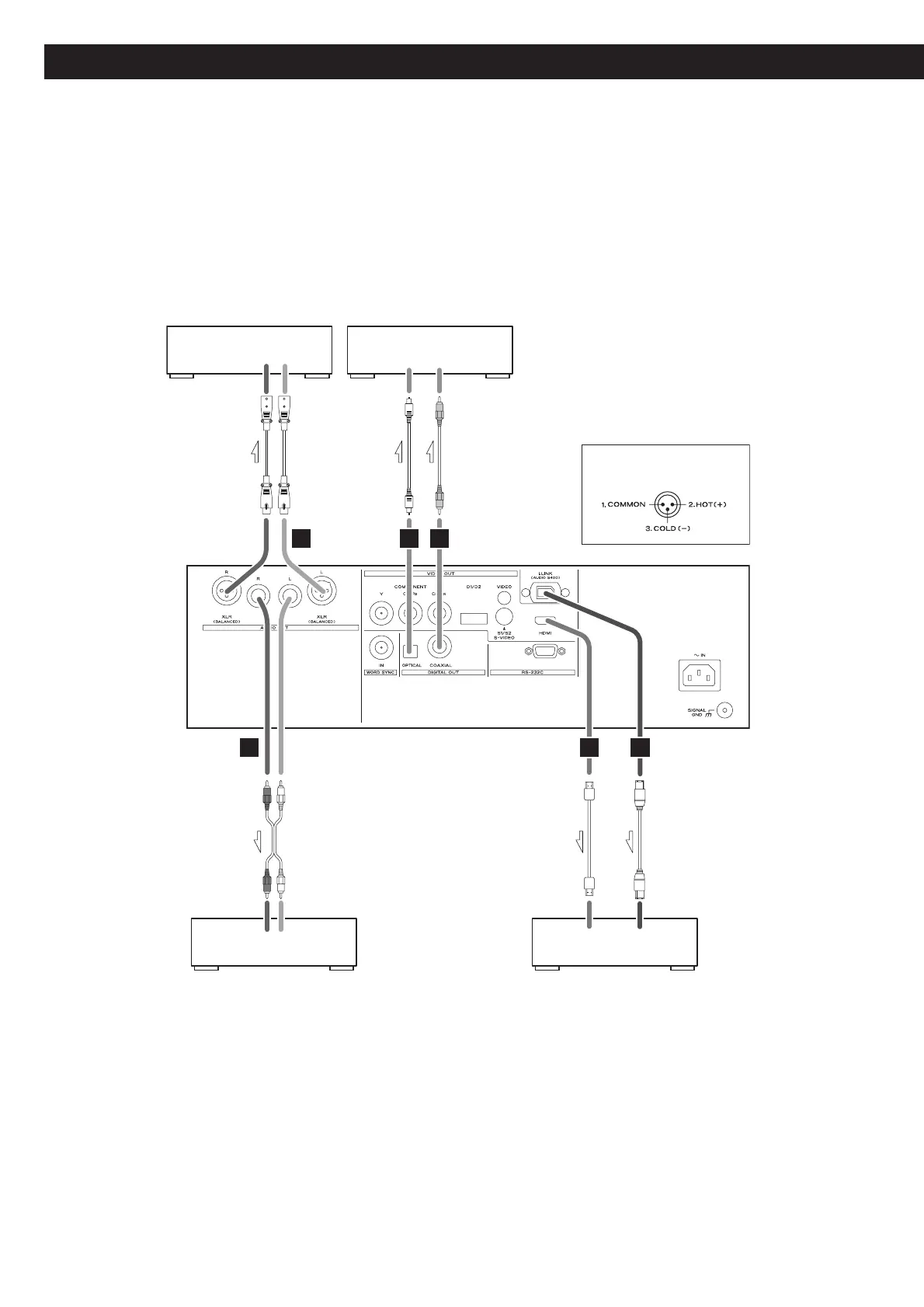
Raccordement à un amplificateur, etc. (1)
i.LINK cable
HDMI cable
ATTENTION
<
Eteignez tous vos équipements avant de faire des connexions.
<
Lisez les instructions accompagnant chaque élément que vous désirez utilisez avec cet appareil.
<
Veillez à bien insérer chaque fiche. Pour éviter le bruit et les ronflements, ne regroupez pas les
câbles de signaux et les câbles d’alimentation électrique ou les câbles d’enceintes.
Câble RCA
Câble coaxial RCA
Câble numérique optique
Câble XLR
Brochage prise XLR
symétrique
Amplificateur stéréo
Amplificateur avec décodeur
Appareil numérique audio
(enregistreur CD, platine MD, etc.)
Amplificateur stéréo

Table of Contents

Related product manuals