EasyManua.ls Logo

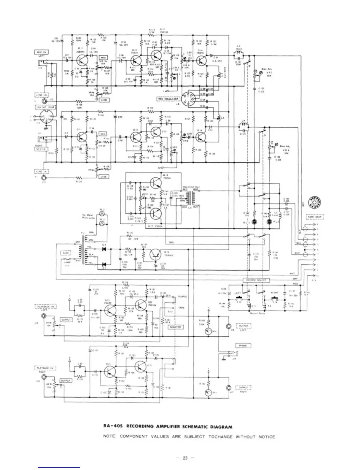
Teac RA-40S - RECORDING AMPLIFIER SCHEMATIC

Teac RA-40S
23 pages
Print Icon
To Previous Page IconTo Previous Page
To Previous Page IconTo Previous Page
Loading...

Related product manuals