EasyManua.ls Logo

Teac T-X150 - Page 6

Teac T-X150
15 pages
Print Icon
To Next Page IconTo Next Page
To Next Page IconTo Next Page
To Previous Page IconTo Previous Page
To Previous Page IconTo Previous Page
Loading...
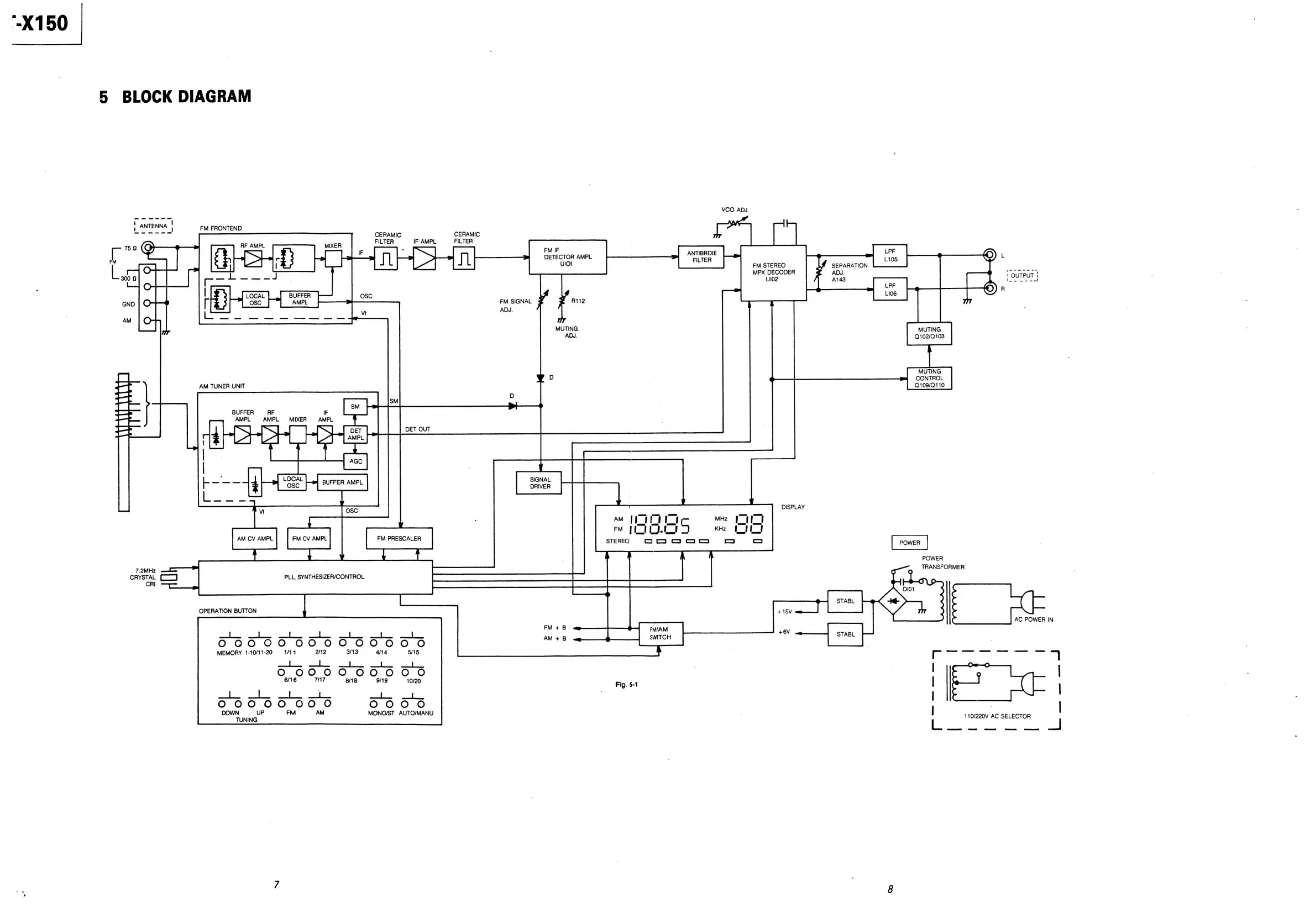
5
BLOCK
DIAGRAM
VCO
ADJ.
ANTIBRDIE
FILTER
CERAMIC
CERAMIC
FILTER
IF
AMPL
FILTER
,
FM
IF
DETECTOR
AMPL
uIO!
FM
SIGNAL
ADJ.
GND
AM
MUTING
ADJ.
BUFFER
AMPL
RF
IF
AMPL
MIXER
AMPL
DET
OUT
PNA
AT
AM
ICI
MHz
(11)
FM
IL
KHz
STEREQ
Oot
co
oc
co
mae
|
7.2MHz
CRYSTAL
(J
CRI
PLL
SYNTHESIZER/CONTROL
OPERATION
BUTTON
FMIAM
SWITCH
00000
00000000
0
MEMORY
1-10/11-20
1/41
2/12
3/13
4/14
5/15
dees,
tee
ye
ee
Sa
0
OO
000000
0
6/16
77
8/18
9/19
10/20
Fig.
5-1
el
a
es
00000
00
0
DOWN
UP
FM
AM
TUNING
O00
0
MONO/ST
AUTO/MANU
FM
STEREO
MPX
DECODER
Ul02
DISPLAY
+
15V
+6V
ADJ.
A143
STABL
STABL
SEPARATION
-_
OUTPUT
|
©)
MUTING
Q102/Q103
MUTING
CONTROL
Q109/Q110
POWER
POWER
TRANSFORMER
6
e
DI01
AC
POWER
IN
el
Ee
110/220V
AC
SELECTOR
ae

Related product manuals