EasyManua.ls Logo

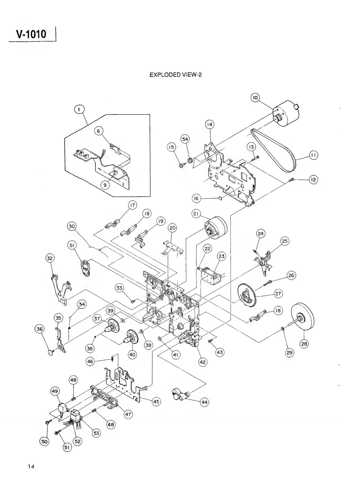
Teac V-1010 - Exploded View-2

Teac V-1010
24 pages
Print Icon
To Next Page IconTo Next Page
To Next Page IconTo Next Page
To Previous Page IconTo Previous Page
To Previous Page IconTo Previous Page
Loading...
V-1010
EXPLODED
VIEW-2
14

Related product manuals