EasyManua.ls Logo

Teac V-1010 - Page 22

Teac V-1010
24 pages
Print Icon
To Next Page IconTo Next Page
To Next Page IconTo Next Page
To Previous Page IconTo Previous Page
To Previous Page IconTo Previous Page
Loading...
Pa
ee
ee
ee
a
a
ee,
a
ae
ee
ee
ee
Sea
ee
em,
ce
<a
me
<email
ey
era,
oe.
cies
me.
<a
Same:
“ean:
|e
ms”
abn:
spans”
imap”
“nips”
Sess."
Rina,
a>
“aes
m
Sab
vemos
Teams
Rama,
meee»
Sims
7
abcd
scales
Spc
“mee
sana
cp ea
mee
ets?
Sec
ieee
“Gent
ein.
mms
6.33
5
[9]
‘GOV
(LL)
)A3S02
F
27K
O
4
4
4
5
4
4
||
FER
O
‘c212
>.
33u
SOV
(LL)
*
HA
10u
16V
ae
feces!
Qa
U303
TCcC4066BP
oy
L103
22mH
+7.
5V_
C126
47P
(CE)
Q101
e
i
280
18150A,-—
4
9
DK
A121
.
4.2K
a
R300
R310
A311
REC
HEAD
82k
62K 62K
P302!
307
Z
pig
OTC124ES
L—-CH
;
-,
Oe
=
=
=
NORMAL
te
Al
At
rey
an
CXA119B8AP
4
{3
]
:
R317
Manel
}
<jat
ba
47K
4
Tare
R-CH
(B)
Uu30e
|
DTC124ES
2220
10K
R305
24K
:
)
.
2
.
a201
:
ascrorson
|
[|
L203
D303
22mH
=
188
133T
Q302
2SC16815GA
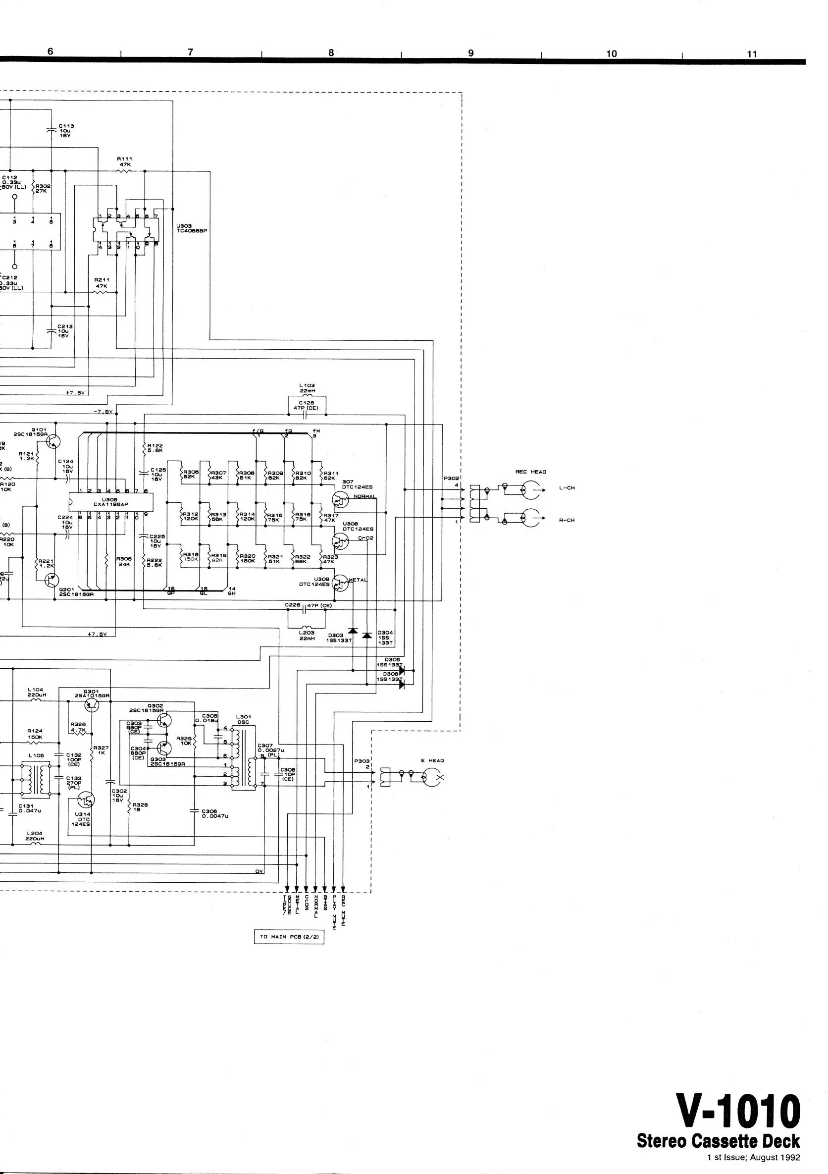
V-1010
Stereo
Cassette
Deck
1
st
Issue;
August
1992

Related product manuals