EasyManua.ls Logo

Teac V-5010 - Exploded View 1 - External Components

Teac V-5010
36 pages
Print Icon
To Next Page IconTo Next Page
To Next Page IconTo Next Page
To Previous Page IconTo Previous Page
To Previous Page IconTo Previous Page
Loading...
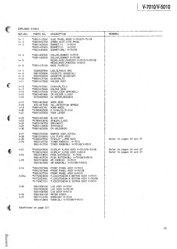
EXPLODED
VIEW=I
REF
.NO.
Wh
I-34a
1-35"
1-36
)~37
{ContInued
on
page
21}
PARTS
NO.
*58015
12500
*5800954700
*5801
405800
*580
1
405900
*5801440400
*580
1
408300
*5801440600
*5801415100
5225025500
580
[509800
5801509900
*5801
415700
*5801417200
*580
1440401
*5801415600
*5801415400
*580
|
401800
5370009900
*5801402600
5301457000
*5801402701
*5
786002500
*58031402202
*580
|
402400
#578560
2630
*5801416700
*5801!416800
*5801
402000
*580
{354000
*580
15
10600
*5200343500
5801514700
3801
407700
*5200543600
*5200343900
5801514800
5801407500
5801514600
5801
407900
*580
1507300
*590
1507400
*580
1507500
*577292
4600
*577292200\
*5772922101
580
1508
100
580
{508200
5801508300
580
|
406100
580!514100
5804412800
DESCRIPTION
SIDE
PANEL,
WOOD
¥-7010/V¥-7010B
SCREW
ASSY,SIDE
PANEL
BONNET(1)
=
¥=5010
BONNET(2)
¥=7010
BONNET
(2BL)
¥~7010B
COLLAR,BONNET
V¥-70!0
COLLAR,BONNET
¥Y=70!0B
MECHA.
ASSY
,PAD2333
¥-7010/¥-70!
0B
MECHA.
ASSY
,PAD2334
Y=5010
BASE
PLATE(S)
LED,SLFGOIC
ORG
CASSETTE
GUIDECNL)
CASSETTE
GUIDECNR)
CUSHION,
T2
HOLDER
ASSY
CUSHION,
73.2
HOLDER
GEAR
STABILIZER
SPRING(L?
CM
HOLDER
L.ASSY
DC
MOTOR,
MDH2B
10
WORM
GEAR
SW.,DETECTION
SPPB22
WORM
WHEEL
E
RING,
E2.5(J1S)
HOOK
LEVER
SLIDE
ARM
SPACER,
2.6X3
SPRINGCF)
SPRINGCS)
CM
HOLDER
(R)
DAMPER
ASSY,
[C7
2=L
LID
PLATE
ASSY
.
DISPLAY
L.PCB
ASSY
TIMER
KNOB(G)
Y~70!0
TiMER
KNOB(BL)
Y¥-7010B/¥~5010
DISPLAY
R.PCB
ASSY
V=7010/V¥=70108
DISPLAY
R.PCB
ASSY
¥-50t0
PUSH
BUTTON(G}
Y-7010
PUSH
BUTTON(BL)
¥-7010B/¥-5010
NR
KNOB{G)
Y¥=70i0
.NR
KNOB(BL)
¥-7010B/V-5010
FRONT
PANEL
ASSY
¥-7010
FRONT
PANEL
ASSY
¥-7010B
FRONT
PANEL
ASSY
¥-5010
F.ESCUTCHEON
&
BUTTON
ASSY
Y-7010
F.ESCUTCHEON
&
BUTTON
ASSY
Y-7010B
F.ESCUTCHEON
&
BUTTON
ASSY
¥-5010
LID
ASSY
V-7010
LIO
ASSY
V¥-7010B
LID
ASSY
¥=5010
METER COVER
KNOB(GN)
Y¥-7010
KNOB(BL)
¥-7010B/¥-5010
|
V-7010/V-5010
REMARKS
Refer
to
pages
24
and
27
Refer
to
pages
24
and
27
Refer
to
pages
24
and
27
13

Other manuals for Teac V-5010

Related product manuals