EasyManua.ls Logo

Teac V-7000 - Trans PCB Assembly; Phone PCB Assembly; Jack PCB Assembly

Teac V-7000
44 pages
Print Icon
To Next Page IconTo Next Page
To Next Page IconTo Next Page
To Previous Page IconTo Previous Page
To Previous Page IconTo Previous Page
Loading...
i
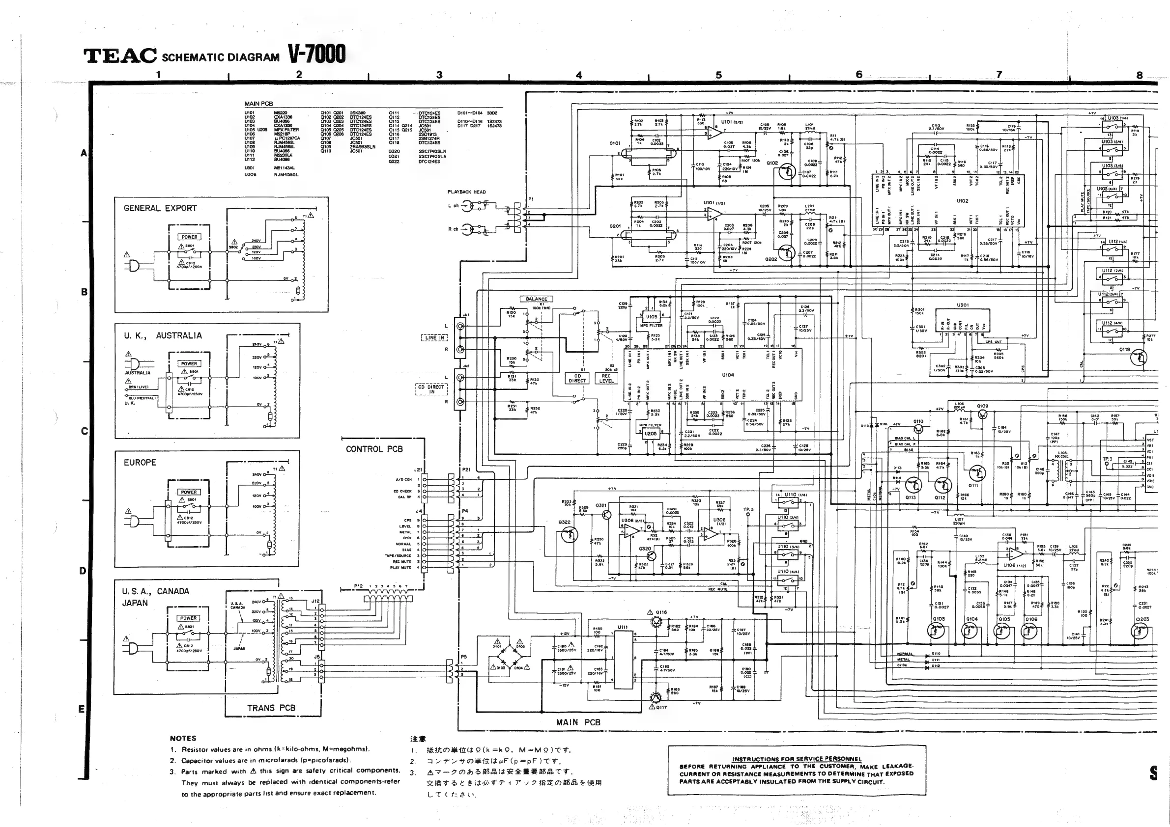
TEAC
scuemaric
oracram
V-7000
|
|
MAIN
PCB
.
u101
M5220
Q101 a201
2sk389
aint
—-DTC124ES
DI01~D104
3002
!
+7v
Ze
+7v
|
tie3
Bus0ee.
aie
raat
Breiades
ang
Brcisees
DI10~0116
182473
R102
R108
101
bee
|
ui04
CXA1330
Q104
204
OTC124ES
114
Gara
C501
DI7
D217,
182473
ame
Tk
EEA
mena
cis, Rios
L101
Loe]
H
U105
U205
MPX
FILTER
Qi05
G205
DTCI24ES
Q115 Q215
JC501
:
$0727”
<BR
Rig
Ss
U106
M5218P
Q106
C206
DTC124ES
ane
2801913
[|
mit
2k
i
107
i
PC1297CA
ai07
JC5O1
Qni7
28812742
4.7418)
:
U108
NUMA565L
Qt08
36501
ane
DICi24ES
i
uroa
NUM4565L
Qt09
2SA933SLN
.
A
uit
B06
|
arto
Jcs01
asz0
2sciT40SLN
M5230)
1
u112
BU4066
0322
DTCI24ES
i
301
M51143AL
|
u306
NUM4565L
|
PLAYBACK
HEAD
3
boo]
a
Fe
GENERAL
EXPORT
oe
;
;
|
a
|
z
x
(nes
al
-
z
5
mee
Ri2t
47k
\
.
Rech
j
Lt
H
,
cai2
i
aToopF/2sov
§
;
\
1008
ten
\
Le
:
U.
K.,
AUSTRALIA
CLINE
IN
}
A
2
re
R
-
5
:
:
AUSTRALIA
oa
:
A
ae
ee
:
|
BRN
(LIVED
Acer
E
1
€D
DIRECT
y
Bs
t
4700pF/250V
LIN
z
x
j
BLU
(NEUTRAL)
238
i
U.K.
R
5
|
j
i
|
Cc
nie
we
-
CONTROL
PCB
EUROPE
vat
|
A/D
CON
4
i
2
{
CD
CHECK
«3
CAL
RP
4
i
3
J4
:
Aste
crs.
e
f
}
LEVEL
8
j
j
METAL
7
!
croz
6
i
NORMAL
5
RISS
C139
Lw2
4
BIAS
4
S.6k
t0/25V
27mH
H
TAPE/SOURCE
3
REC
MUTE
2 R152
D
,
PLAY
MUTE
4
its
i
C136
|
180p
|
U.S.A,,
CANADA
|
JAPAN
7
.
Sar
7
S.00e7
2
H
l
ae
Q203
A\se0t
3.3k
.
(‘3
|
oil
ay
|
j
Ase
et
|
4700pF/250V
'
wr
Soe
ee
|
ee
ee
|
|
i
|
t
MAIN
PCB
:
.
=
-
Oe
eee
as
.
SS
SS
SS
SS
es
oS
NOTES
i=
:
1.
Resistor
values
are
in
ohms
(k=kilo-ohms,
M=megohms).
1.
FRIRMD
MIMS
Q(kK
=kKQ,
M=MQ)TT.
}
i
2.
Capacitor
values
are
in
microfarads
(p=picofarads).
2.
ALFvynwMtulsuF
(p=pF)TtT,
INSTRUCTIONS
FOR
SERVICE
PERSONNEL
ms
A
h
mn
are
safety
critical
components
ana
‘ous
=
BEFORE
RETURNING
APPLIANCE
TO
THE
CUSTOMER,
MAKE
LEAKAGE.
3.
Parts
marked
with
A
this
sig
y
(3.
AV-7HHPRARSESBRRBACT.
CURRENT
OR
RESISTANCE
MEASUREMENTS
TO
DETERMINE
THAT
EXPOSED
They
must
always
be
replaced
with
identical
components-refer
ZIMTACASSUWTF
1
PT
VIBENM
BAER
PARTS
ARE
ACCEPTABLY
INSULATED
FROM
THE
SUPPLY
CIRCUIT.
to
the
appropriate
parts
list
and
ensure
exact
replacement.
LT<
tr
aur,
:

Other manuals for Teac V-7000

Related product manuals