EasyManua.ls Logo

Teac V-970X - 5-3 Playback Performance; Record;Playback Head Azimuth; Playback Output Level; Meter Level Setting

Teac V-970X
51 pages
Print Icon
To Next Page IconTo Next Page
To Next Page IconTo Next Page
To Previous Page IconTo Previous Page
To Previous Page IconTo Previous Page
Loading...
V-970X/R-919X
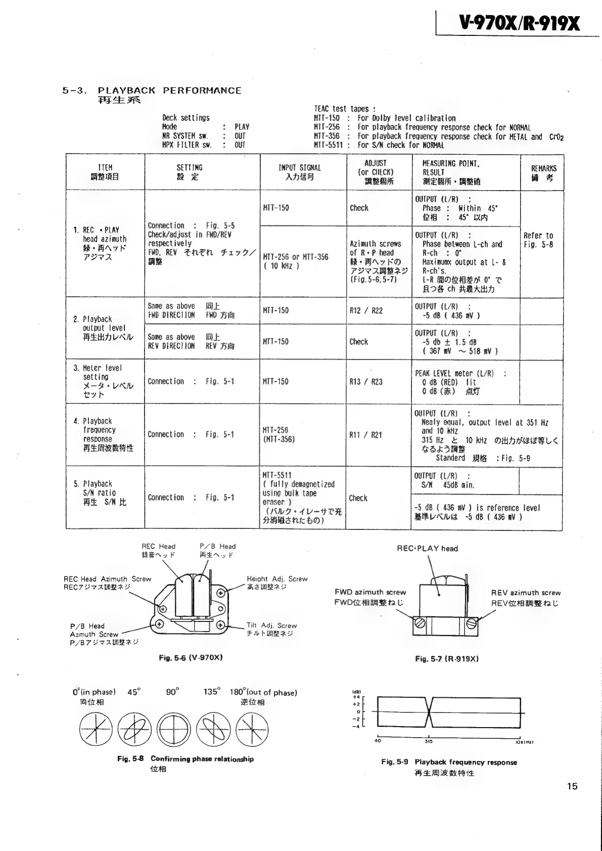
5-3.
PLAYBACK
PERFORMANCE
34
FR
TEAC
test
tapes
:
Deck
settings
HIT-150
For
Dolby
level
calibration
Mode
PLAY
MIT-256
For
playback
frequency
response
check
for
NORMAL
NR
SYSTEM
sw.
OUT
HIT-356
:
For
playback
frequency
response
check
for
METAL
and
Cr02
HPX
FILTER
sw.
OUT
MIT-5511
:
For
S/N
check
for
NORMAL
ITEM
SETTING
INPUT
SIGNAL
pate
erie
REMARKS
WEAR
RQ
AES
i &
Bebo
REM
+
BiG
OUTPUT
(L/R)
MIT-150
Check
Phase
:
Within
45°
ft
45°
DAA
Connection
Fig.
5-5
ae
Beate
Check/adjust
in
FHD/REV
OUTPUT
(L/R)
Refer
to
BBAYE
respectively
Azimuth
screws
Phase
between
L-ch
and
Fig.
5-8
eae
FWD,
REV
ENEN
FLYI/
|
wey
ose
op
HrT-356
of
R+P
head
R-ch
:
ae
Be
(10
ktz
)
B-BAYEO
Maximumx
output
at
L-
&
PYUVARMBRY
|
R-ch's.
(Fig.
5-6,
5-7)
L-R
FID
MBA
TS
AOS
ch
HBAMHD
Same
as
above
faj_E
OUTPUT
(L/R)
MIT-150
R12
/
R22
2.
Playback
FHD
DIRECTION
FWD
Ara
my
|
-5
dB
(
436
mv
)
Ll
output
level
BEMAUANIL
|
Same
as
above
fal
k
OUTPUT
¢L/R)
REV
DIRECTION
REV
AM
ne
5
db
+
1.5
a8
(
367
mV
~
518
mV
)
3.
ee
PEAK
LEVEL
meter
(L/R)
A
Connection
Fig.
5-1
MIT-150
R13
/
R23
0
dB
(RED)
{it
ROAM
0dB
(aR)
ART
tyb
:
OUTPUT
(L/R)
4.
oot
oe
ne
ney
output
level
at
351
Hz
requency
F
-
and
10
kHz
response
Connect
Fon
(HIT-356)
fe
315
Hz
&
10
kH2
OWAAIRERE<
BE
ARBs
BOLD
Standerd
#8
:
Fig.
5-9
MIT-5511
OUTPUT
(L/R)
5.
Playback
(
fully
demagnetized
S/N
45dB
min.
S/N
ratio
;
;
using
bulk
tape
Het
S/N
tt
Connection
Fig.
5-1
eraser
)
PHM
SNKHO)
REC
Head
BAY
F
P/B
Head
BEN»
KF
REC
Head
Azimuth
Screw
Height
Adj.
Screw
RECT
UV
RAMERY
Baier
P/B
Head
Tilt
Adj.
Screw
Azimuth
Screw
Fb
bE
RY
P/B7UVAMBARY
Fig.
5-6
(V-970X)
O'lin
phase)
45°
90°
135°
180°(out
of
phase)
4B
ina
DAOOWS
Fig.5-8
Confirming
phase
relationship
48
(SWI
+4
U-4
TCH
-5
dB
(
436
mV
)
is
reference
level
BYELAILIS
-5
dB
(
436
mV
)
REC-PLAY
head
FWD
azimuth
screw
FWD
48
a
3
ta
L
REV
azimuth
screw
REV
(ir
48
5a
ta
U
Fig.
5-7
(R-919X)
(4B)
+4
+2
0
-2
-4
Sa
a
|
40
31S
HOw
(Hz)
Fig.
5-9
Playback
frequency
response
Fi
RE
15

Related product manuals