EasyManua.ls Logo

Teagle Tomahawk 8080S - Hydraulic Hoses

Teagle Tomahawk 8080S
40 pages
Print Icon
To Next Page IconTo Next Page
To Next Page IconTo Next Page
To Previous Page IconTo Previous Page
To Previous Page IconTo Previous Page
Loading...
32
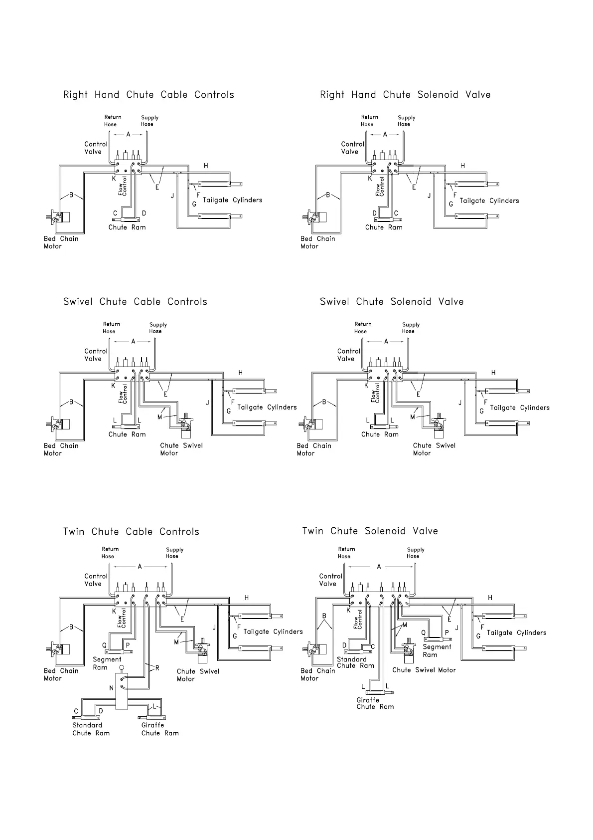
HYDRAULIC HOSES

Related product manuals