EasyManua.ls Logo

Technibel MCAV77R5VAA - Electric Wiring Diagram

Technibel MCAV77R5VAA
62 pages
Print Icon
To Next Page IconTo Next Page
To Next Page IconTo Next Page
To Previous Page IconTo Previous Page
To Previous Page IconTo Previous Page
Loading...
31
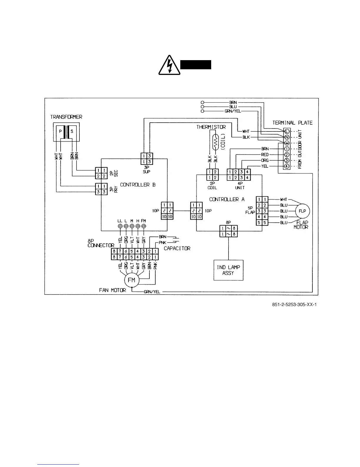
6-2.Electric Wiring Diagrams
To avoid electrical shock hazard, be sure to
disconnect power before checking, servicing
and/or cleaning any electrical parts.
WARNING
Indoor Unit MCAV77R5VAA
MCAV97R5VAA
MCAV127R5VAB

Related product manuals