EasyManua.ls Logo

Technics RS-X102 - Page 12

Technics RS-X102
28 pages
Print Icon
To Next Page IconTo Next Page
To Next Page IconTo Next Page
To Previous Page IconTo Previous Page
To Previous Page IconTo Previous Page
Loading...
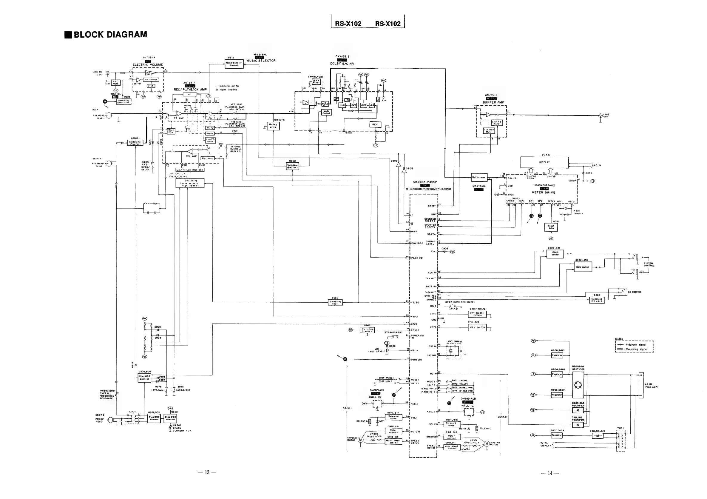
BLOCK
DIAGRAM
AN7384N
1c1
ELECTRIC
VOLUME
RESIS
aN,
MS218AL
Qs8ié
fics
|
MUSIC
SELECTOR
Music
Selector
LINE
IN
(Len)
Qi
[rec
12)
|
Mur
+8
M5218L.
(
DECK
|
PB.HEAD—
§
(ich)
DECK
2
R/P
HEAD
<——
&
{bend
+
VR303(302)
OVERALL
FREQUENCY
RESPONSE
DECK2
ERASE
HEAD
X
‘Switching
(Level
cont}
1
t
'
AN7351K
J
REC/
PLAYBACK
93104)
Switching
(Play
Zon)
$953
aTs
fe
=>
AMP.
tOrO2z/
DECK!)
LC,R
Network
(REC
EQ)
05.7,
9,181,135
(06
,8,10,12,14)
Switching
(tape
selects
nigh
speed)
ee
il
‘2
ak
r)
0304,904
ose
D906
soniras
sx7e
4 &
S975
(ats/meran{
f
taTsscroz)
ics
Q301,302
9303
BI
se
pie
contro}
VR301
ERASE
CURRENT
ADJ.
(
}Indicates
pin
No
of
right
channel
VR3(VR4)
PLAYBACK
GAIN
ADJ
(DECK)
RS-X102
RS-X102
CXAIS3IS
icias
|
DOLBY
B/C
NR
L401(L
402)
c=)
®
ad
Ef
cage
ay
CG
eg
de
btijeds
fein
Ek
AN7351K
ws
MI
vee
fice:
|
BUFFER
AMP
oe
eae
oy
LINE
ouT
VRS
(VR6)
Stntsie)
ier
J
K2)
4:
Yisen
20
VR7(VRE)
OVERALL
GAIN
ADJ
FLSSI
one
DISPLAY
Switohing
ae
re
(ENC/on)
foe
en
xX
,
(26)
fF
SISi2
=
O
SIGLIR)
819,814
M50963-248SP
]
VOISP
©
M5218
AL
re
eno
HD404302SA02
|
MICROCOMPUTER(MECHANISM)
iy
l
t
METER
DRIVE
Er.
|
ose
avec
1
ees
5
|,
|
i]
RESET
osc
osca
4
:
cRMT
y—_~
Ce730
1
|
1s,
x551
=
owrg#
(4M)
:
COUNTER
Je
a
RESET
2
eal
COUNTER
J
1
RESET!
“s
1
4s
P
4
H
SDATA
fr
!
!
@®)
47.
SIGNAL
yg!)
_________"Benevoec
LeveL
¢
!
'
Q929~93!
1
______s*4
PLAY
172
in
1
0932~934
1
SYSTEM
1
CONTROL
'
our
H
DATA
IN
=
t
DATA
OUT
doz,
CD
EDITING
'
SYNC
REC
$4
is
!
enasee
$2
§x2,£0
|
$722
(AUTO
REC
MUTE)
I
aru
a
(8
so
1
t
<DECK>
$701~710,721
ts
22
!
KEY!
—jsemr2
1
1
22732
GND.
45
'
S7iI~720
S05
RECZ
f
20
yaaa
IDs
RESET
t
®
S724(POWER)
“4
1
5S:
64
JPOWER
SW
|
?
!
t
tL
t
Notes
!
2)
Sates
eae
7
—_—:
3
i
Y
0909
1
osc
“Ey
'
\
Pldyback
signal
!
vRi
10
<>
:
Recording
signal
1
(REC
LEVEL)
——Shvrin
‘Q606,
D610
ee
'
ose
am
as
'
“Neer
—4
PWM
OUT
|
Seeecs
H
1
1
!
DeoKeos
H
9604,D608
RECTIFIER
AC
IN!
$951
(MODE)
‘i
S952
(HALF)
ODE!
wove
2
$38
$971
(MODE)
HALF!
HALF
2
e
$972
(HALF)
ACIN
(From
AMP)
+3
I
nec
ian
zee
$973_(R-REC
INH),
ON6BS5IALB
Il
F.REC
INH
2
ase
S974_(F-REC
INH),
a=
1
i
Q605,0607
oe
on
//—
ON6SSIALB
'
foe]
63
®
am
MEET
'
HALL
Ic
D605,606
RECTIFIER
4
'
DECKI
nay:
i
es
i
0916,
917
l
ReELe
$§—G®
Solenoid
been
as
sien:
I
eet
'
DEcK2
p9i1,912
RECTIFIER
1
0914,
915
Solenoid
drive
socenoio
fi}
T6O!
607,609
0611,613~615
eae
To
FL
a
0920,
92!
1
Motor
controt
devia
Kf)
sovenoio
ngs
Q912,
913
DISPLAY

Related product manuals