EasyManua.ls Logo

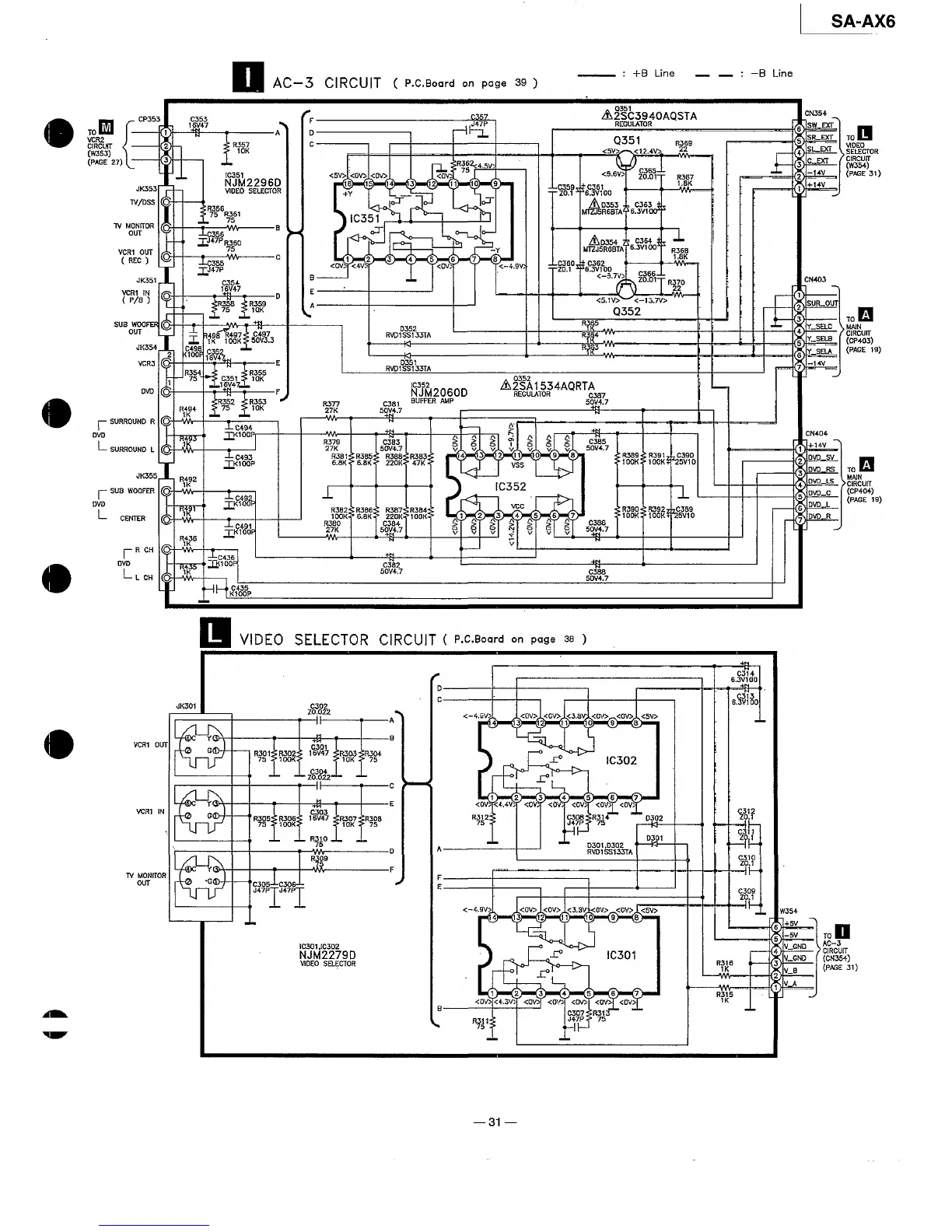
Technics SA-AX6 - AC-3 Circuit Diagram; Video Selector Circuit Diagram

Technics SA-AX6
88 pages
Print Icon
To Next Page IconTo Next Page
To Next Page IconTo Next Page
To Previous Page IconTo Previous Page
To Previous Page IconTo Previous Page
Loading...

Other manuals for Technics SA-AX6

Related product manuals