EasyManua.ls Logo

Technics SA-EX100 - System Architecture; Block Diagram Overview

Technics SA-EX100
36 pages
Print Icon
To Next Page IconTo Next Page
To Next Page IconTo Next Page
To Previous Page IconTo Previous Page
To Previous Page IconTo Previous Page
Loading...
$А-ЕХ100
Ш
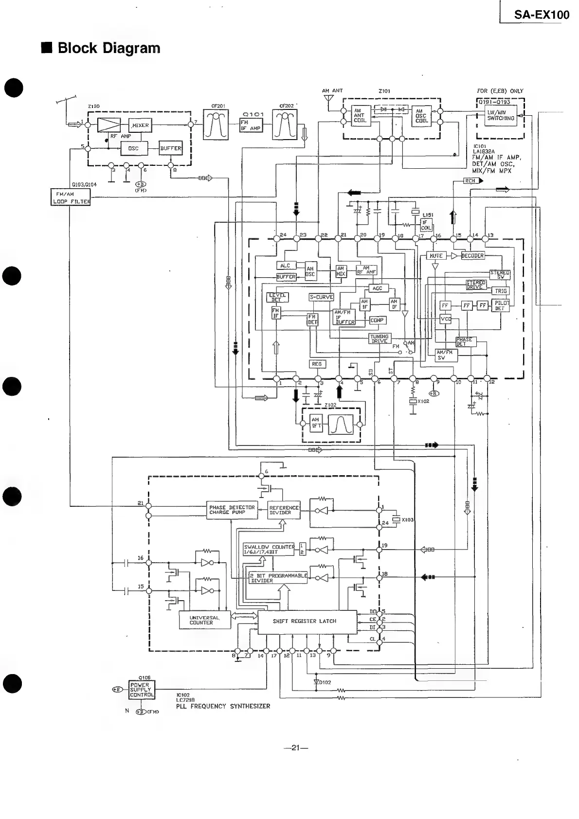
Block
Diagram
e
AM
ANT
2101
FOR
(E,EB)
ONLY
Е
d
moras
iu
OH
АМ
ж-ға
АМ
О
:
/
і
м
Де
LW/MW
p
с
fant
|-
asc
|
J
SWITCHING
O
O
i
i
COIL
g
COIL
Ex
1С101
118324
FM/AM
IF
АМР,
DET/AM
OSC,
MIX/FM
MPX
RCH
PILOT
DET
be
Sete
аса
ا
ك
د󰾯
6
pu
CUR
OV
ра
а
а
а
аа
IA
RM
T
TAM
Wr
TIC
CQ
|
!
1
РЕҒЕРЕМСЕ
SWALLOW
COUNTER
1/6,1/17,431T
Do
|
2
БІТ
PROGRAMMABLE
+
[
DIVIDER
||
БЕ
ummy:
UNIVERSAL
COUNTER
SHIFT
REGISTER
LATCH
Mn
не
|
12102
1С7218
PLL
FREQUENCY
SYNTHESIZER
O
PHASE
DETECTOR
CHARGE
PUMP
O
I
16
m
о
г--------С--
کے
و

Other manuals for Technics SA-EX100

Related product manuals