EasyManua.ls Logo

Technics SH-8055 - Page 30

Technics SH-8055
31 pages
Print Icon
To Next Page IconTo Next Page
To Next Page IconTo Next Page
To Previous Page IconTo Previous Page
To Previous Page IconTo Previous Page
Loading...
SH-8055
SH-8055
|
Mi
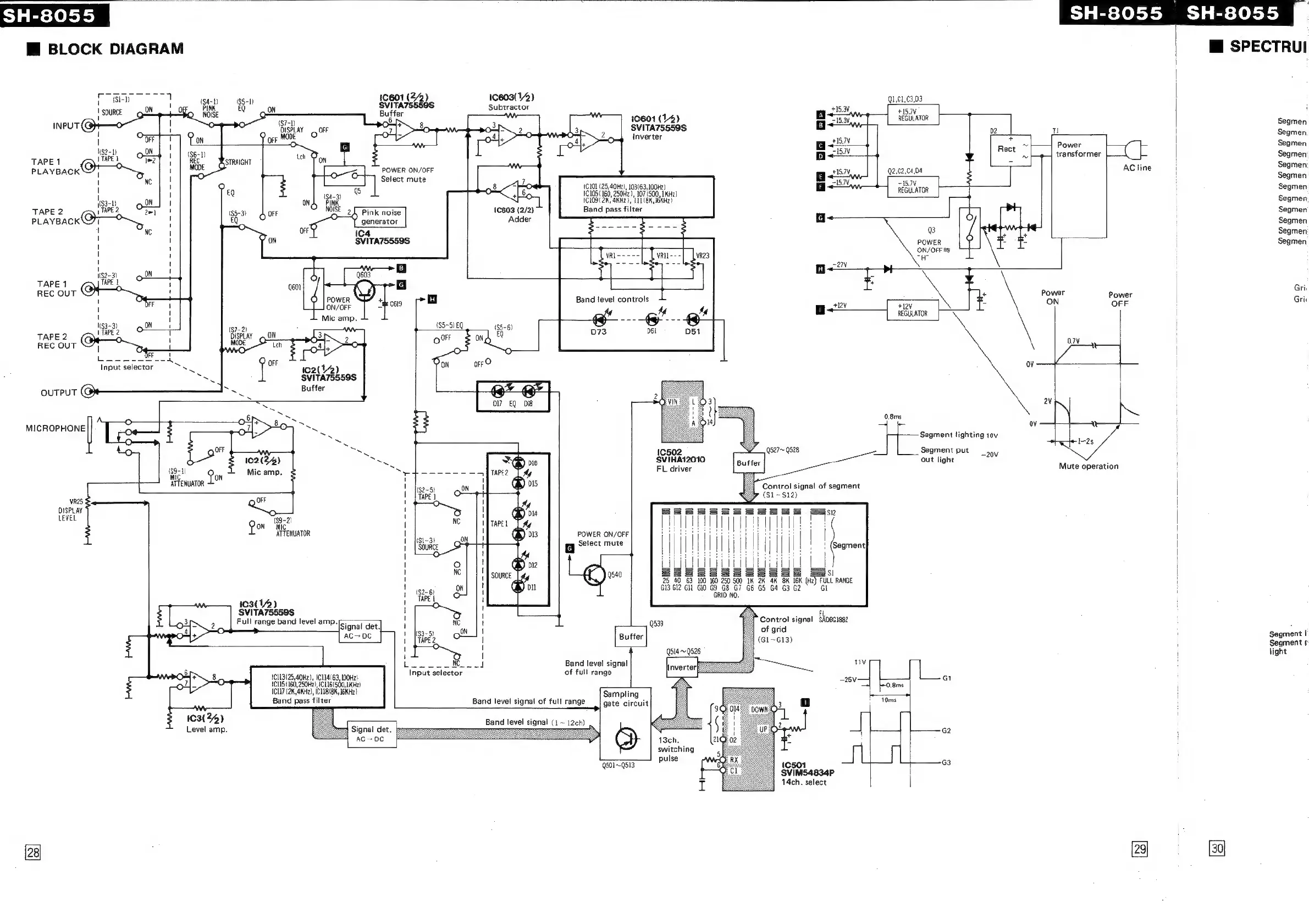
BLOCK
DIAGRAM
|
Mi
SPECTRUI
|
ars
re
|
1c601
(2/2)
Ic603(
1/2)
3
{sl-1)
=1)
1)
QU,C1,C3,0:
a
oe
Sitarsséis
Henle
SOURCE
Q
Nise
9
Butter
10601(14)
fectaon
s
1
($7=1)
egmen
INPUT@
°
I
e 2
DISPLAY.
OFF
S
7
oN
2
SVITA75559S
02
u
|
Segmen
!
OTT]
Pon
P
ore
MODE
po
|
of
° o
o-4
Inverter
|
fe
Hs
i
pel
ia
O
Power
ll
|
Segmen
S211
°
1
|
($6-1)
re)
transformer
be
|
Segmen
TAPE
1
Vn
wey
1
|
Re.
Ssteaicur
‘Ton
‘aetine
Segmen
pLaveack
©
%
Sy
\
POWER
ON/OFF
2.02,c4,04
!
Pais
°
[OOF
Select
mute
A
aan
Segmen
!
\
fo)
8
°
IC1O1
(25,40HEI,
103163,
100H2)
peta
ror
Segmen
:
'
£Q
sear
2
6
C1051
160,
250H2,
107/500,
KH)
i
ong,
‘Fine
1C109(2K,
4KH2),
"118K,
16KHZ)
jegmen
TAPE
2
1TAPE2
er!
5-3)
oFF
NOSE
2D
Pink
noise
10603
(2/2)
Band
pass
filter
a5
Segmen
pLaveack
Oro
!
Ey
generator
Adder
Segmen
NC
Oy
2
OFF
104
Segmen
1
P
on
SVITA75559S
Segmen
'
\
1
ee
a
©
b
i
nec
OUT
oo
a
ale
Gri
+
01
Power
|
os
4
f
Dei
ON/OFF
cap
p>
+1
oT
Z
ON
OFF
sc
1
u-
REGULATOR
¥,
f
Mic
amp.
;
ot
:
(7-2)
AN
{5-5}
EQ
TAPE2
H
DISPLAY
ON
&3
5
oor
is
REC
OUT
Me
eh
n
>
°
i
04!
O
°
Loa
“4
;
Input
selector
><
\
1c2(12)
oY
|
SVITA75559S
~
ff
ler
se
|
output
@
sy
Buffer
fo 4@
=
OV
&Q
0B
av
0.8ms
MICROPHONE
Fay
ie
ay
~S
Segment
lighting
1ov
55
o6.
2s
10502
527
~
9528
Segment
put
_
SVIHA12010
es
out
light
2
;
;
($9-1)
2
i
FL
driver
Mute
operation
MIC
ON
!
ATTENUATOR
\
|
I
R25,
1
|
oIsPLay
f
atalatatatataie
=
|
on
a2)
1
PITT
I!
|
ATTENUATOR
!
POWER
ON/OFF
Piaagnai
dd
i
1
|
!
Select
mute
HEEL
|
|
ee
'
ba
fd
a
'
840
BEsSsssss
1
25
40
63
100
160
250
500
1K
!
Gi3GI2
Gil GIO
63
GB
G7 G6
1
GRID
NO.
1c3(
2)
H
SVITA75559S
!
2
FSR
Full
range
band
level
amp.
'
Control
signal
Soec1882
[Signal
det]
of
arid
AC
DC
i
Buffer
(G1~G13)
Segment
:
:
514
~~
0526
light
L
Band
level
signal
input
selector
of
full
range
1C113{25,40Hz), 1C114(63,100H2}
~25v:
a
1516,
25042,
C116(500,
KH)
|
Foams
CLT
(2K,
ARH,
IC11818K,
16KH2)
Sampling
Band
pass
filter
Band
level
signal
of
full
range
|
gate
circuit
tome
-
-
1c3(44)
Band
level
signal
(1
~
12ch)
Level
amp.
G2
switching
i
pulse
63
01~
9513
C501
‘SVIMS4834P
|
14ch.
select
29)
30

Related product manuals