EasyManua.ls Logo

Technics SH-DJ1200 - Block Diagram

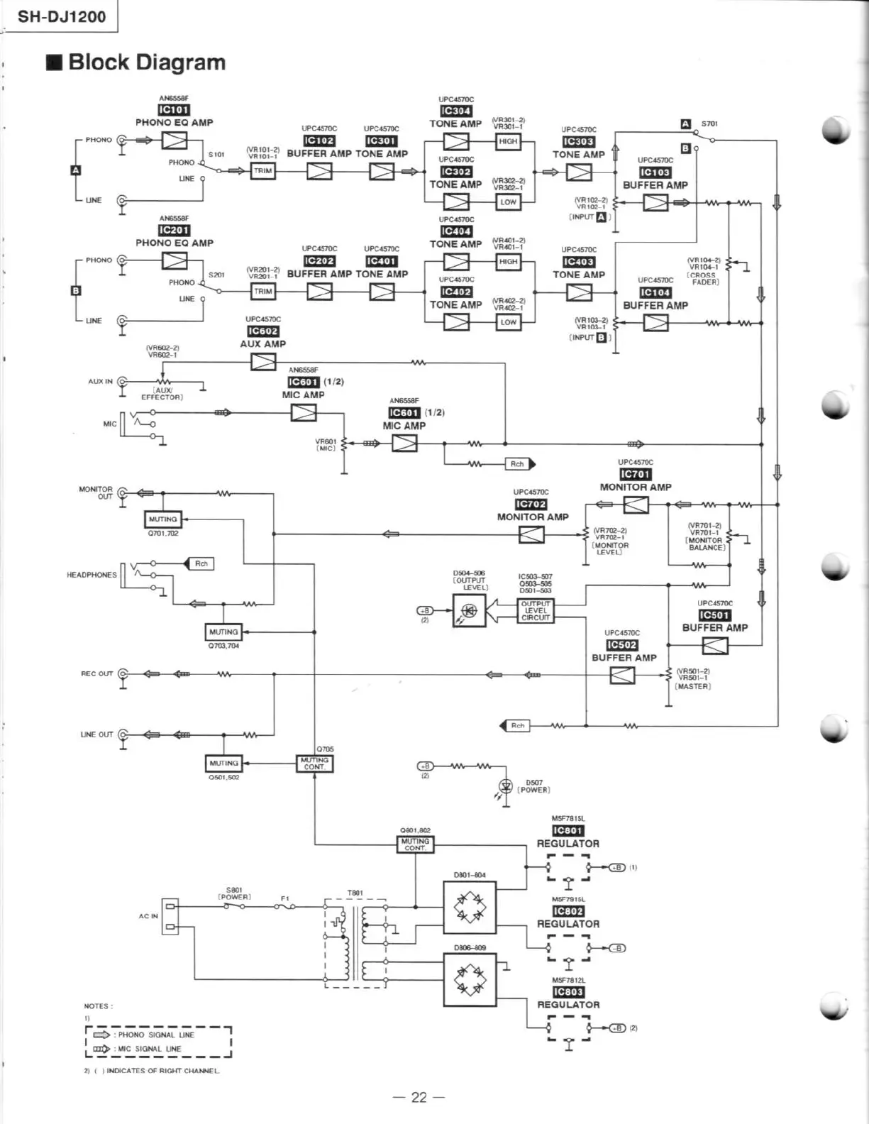
Technics SH-DJ1200
35 pages
Print Icon
To Next Page IconTo Next Page
To Next Page IconTo Next Page
To Previous Page IconTo Previous Page
To Previous Page IconTo Previous Page
Loading...
sH-DJ1200
I
Block Diagram
@
Prl<}NO
EO AMP
ror@E^r"
(Aglir
t*Y---u-t
fT;
'*H
@
[*Y-a-t
tT;
'"-r
"_.--
@ @
str'
';;i;;:i'
BUFFEFAMP TO
EA P
@
__-@@
,#;i:i
BUFFEF AII'
TOI{E
AMP
ro@n: lue
Sflf
.rtrEl
E@
@
.iMEr
G@{!/')
@
@
-t'
@
-t'
@
!v
r-,-;.-;.i,j-*-
- -r
LP_ra"s!.i_ _ _ i
rcd,
,**
rc,lffi]
@
@
@
-22
-t-

Other manuals for Technics SH-DJ1200

Related product manuals