EasyManua.ls Logo

Technics SH-DV250 - Page 31

Technics SH-DV250
40 pages
Print Icon
To Next Page IconTo Next Page
To Next Page IconTo Next Page
To Previous Page IconTo Previous Page
To Previous Page IconTo Previous Page
Loading...
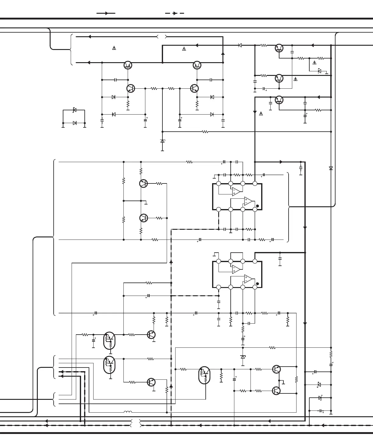
IC303
NJM4558MTE1
BUFFER AMP
C345
100P
R365
180K
C347
22P
C343
16V10
R361
6.8K
R359
820
R360
820
R363
1K
R364
1K
C346
100P
R366
180K
C348
22P
C352
0.01
C344
16V10
R362
6.8K
Q315
Q316
Q315,316
2SD2144STA
ATTENUATOR
1234
5 6 7 8
R368
470
R367
470
R357
22K
R358
22K
R504
120K
C502
330P
R503
1.2K
1234
5 6 7 8
C503
100P
Q502
UN411FTA
ATTENUATOR CONT.
R502
1K
R509
2.2K
R514
100
C510
16V22
Q501
UN411FTA
MUTING CONT.
IC501
NJM4558MTE1
BUFFER AMP
C
D
G
R517
820
R513
1K
R515
22K
C511
16V10
C504
100P
R508
100K
R506
2.7K
C508
16V10
C501
0.01
C506
16V33
R505
1K
R510
100K
R511
1M
C507
50V0.47
R512
150K
C512
16V33
Q505
2SD2144STA
ATTENUATOR
Q503,504
2SD2144STA
MUTING
Q503
Q504
F
E
C505
0.01
C351
0.01
R773
1K
SCHEMATIC DIAGRAM-8
Q764
2SB621ARSTA
REGULATOR
C765
0.01
D763
MA165TA
R769
1.2K
D764
MA165TA
C771
0.01
C766
16V10
Q765,767
2SC3311ATA
STABILIZER
Q765
R767
1K
D767
MA4051MTA
C768
16V10
Q767
R768
1.2K
D765
MA165TA
D766
MA165TA
C772
0.01
C767
0.01
D762
RL1N4003N02
C753
0.01
R761
2.2
R762
2.2
C761
0.01
Q761,762
2SD2137PQTA
REGULATOR
C763
0.01
R765
220
C764
10V220
R764
820
D761
MA4082LTA
C762
0.01
Q763
2SD592AQRSTA
REGULATOR
R766
1.8K
D304
MA719TA
C354
16V10
D305
MA719TA
C349
16V10
C350
16V10
R507
1M
C509
16V22
D771
MA4051LTA
Q506
UN411FTA
ATTENUATOR CONT.
R518
2.2K
Q507
2SD2144STA
ATTENUATOR
D
A
D772
MA165TA
R774
220
C774
16V220
R716
820
C773
10V220
Q761
Q762
Q766
2SA1309ATA
REGULATOR
C356
16V10
R772
1.2K
R501
1.5K
R520
1.2K
L502
E
D203
MA165TA
D204
MA719TA
I
J
R519
150K
A
B
C
P
I
:NEGATIVE VOLTAGE LINE:POSITIVE VOLTAGE LINE
5.1V
9.4V
-
10.4V
0V
0V
0.7V
0.7V1.8V1.8V
0V
0V0V0V
0V 0V 9.4V
0V0V
-
10.4V
0V 0V 9.4V
10.2V
10.2V
9.4V
7.2V
10V
7.8V
7.2V 10.2V
7.8V
5.1V
5.4V
4.4V
6V
5.4V
5V
6V
5V
5.1V
5.4V
5.4V
4.4V
0.6V
0V
0.6V
0V
0.6V
0V
1.1V 0.9V
0V
-
6.5V
-
7.3V5V
-
10.4V

Related product manuals