EasyManua.ls Logo

Technics SH-EH50 - Page 17

Technics SH-EH50
20 pages
Print Icon
To Next Page IconTo Next Page
To Next Page IconTo Next Page
To Previous Page IconTo Previous Page
To Previous Page IconTo Previous Page
Loading...
@
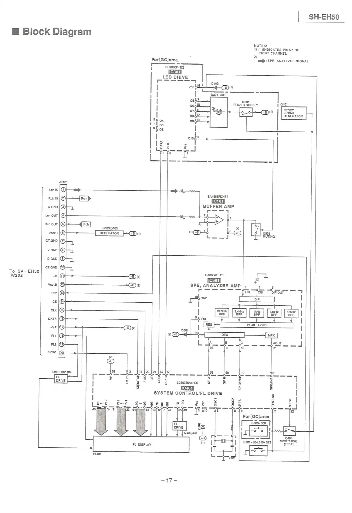
Block
Diagram
For(GC)area.
|
|
|
LED
DR
=
@~1
©
8BR
O
DATA
Lch
IN
Reh
IN
A.GND
Leh
OUT
Reh
OUT
|
SH-EH50
NOTES:
1)
(
)INDICATES
Pin
No.OF
RIGHT
CHANNEL.
=———
=
=|
2)
=>
SPE.
ANALYZER
SIGNAL
E2
IVE
D402
Voo
bis!
4—Ga)i)
=
ee
|
D301-
305
ash
os
Sol
Te
PoweR
SUPPLY
y
2401
ee}
toe
|
[Eg
SIGNAL
GENERATOR
as
oof
Q10
Ive
2
BA4558FDXE2
1C101
BUFFER
AMP
r-—4
Vee(t)
REGULATOR
CT.GND
V.GND
D.GND
CT.GND
ace
EHSo
5
BAS@35F-E1
:
1501
at
Vee(2)
SPE,
ANALYZER
AMP
|,
4.8
r=—-————5
ee
AIN
[CIN
[DIF
OUT
KEY
18
|
ritbeno
[
oF
J
CE
|
|
cLK
|
10.5kHz|
|
3.4kHz
s4otiz
|
|
tosHz
|
|
BPF BPF BPF BPF
8
DATA
8
Voc
|
|
[
RES
|
PEAK
HOLD
|
“VR
psor
|
|,
Bi
(1)
GB)
re
DEC
MPX
|
wa
i
a
a
ae
|
10
11
12
17
SYNC
107,
102,
104
8
Gd
ee
ie
ae
ee:
ae
z<*xsxwuwag
<
oa
=
<
7
Ea
oO
Oo
o
o
z
z
DRIVE
=
a
¢
LC65366A4H96
a
G
S
a
|
=
a
a
1C401
G
G
SYSTEM
CONTROL/FL
DRIVE
3
I
=
N
KE
wd
|
6
2
9
9
8
2
ag
gee
ees
Bs
3
6g
#
e_|
Oo
One
=>
Oa
Sm
Ome
ee
Oo
ee ee
ee
es
es
eG
1]13]12)5]47
[s5]46
igc
8
9
fit
2
2
For
(GCJarea.
FL
s
|
$305-
308
I
DRIVE
Ev.
I
=
~~]
ao
oe
a™~o
|
402,403
GB)
=
—]
0404
a
|
PF
-4
|
|
ss01-304,310-313
SWITCHING
FL
DISPLAY
|
sa
oe
FL401
t=
ee
|
401
a{7=

Related product manuals