EasyManua.ls Logo

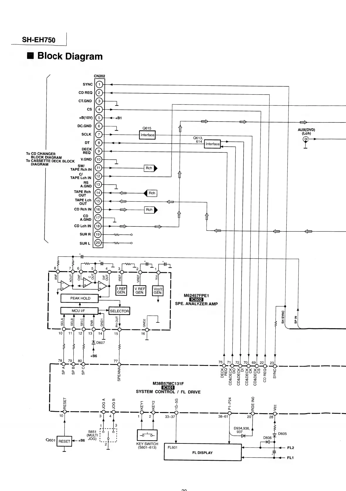
Technics SH-EH750 - System Block Diagrams; Control and Analyzer System Flow

Technics SH-EH750
29 pages
Print Icon
To Next Page IconTo Next Page
To Next Page IconTo Next Page
To Previous Page IconTo Previous Page
To Previous Page IconTo Previous Page
Loading...
SH-EH750
|
@
Block
Diagram
CN202
SYNC
CD
REQ
cs
+B(10V)
+B1
—*
=
=>
DC.GND
Q615
|
AUX(DVD)
(Lch)
nn
ae
os
Co
4
peck
||
—s—=sdC;*=Cid
To
CD
CHANGER
REQ
BLOCK
DIAGRAM
V.GND
To
peat
pile
DECK
BLOCK
7
DIAGRAM
SW/
TAPE
Rech
IN
c/
i
TAPE
Lch
IN
RS
A.GND
TAPE
Rech
OUT
TAPE
Lch
OUT
CD
Rech
IN
a
I
ft
A.GND
CD
Lch
IN
SUR
R
(19)
sur
L |
(20)
+
+
8 6
4
@
O=
OO)
@
Z
2
eS
|
<
oO
i
20
M62457FPE1
PEAK
HOLD
IC602
a
SPE.
ANALYZER
AMP
|
MCU
I/F
SELECTOR
=
|
:
+
9
Of
ol
8
3
gs
a
[
a}
al
of
al
&
=
5
|
a
(O)
ome
(
)
@
CO)
()
CO)
OO
——
———
10}
11]
#12]
13]
14
15
16
/\,
D607
+B6
78
79
80
77
76}
71}
72
22
23
<
ra]
oO
<
~<OxXOXR
XY
Ye
wee:
2
pu
ga
gogo
os
Ee
ao
na
wi
o*~o
aAaAA
2
on
|
Oo.
8
S
BS
B
A
n
Q
Q0
QO
M38B57MC131F
O
OO
0
O
|
IC601
SYSTEM
CONTROL
/
FL
DRIVE
|
zs
9
%
2
t
co
N
=
g
ae
aes
5
Z
q
!
|
or
S.
.<
Y
=
a
fr
>
10
S651
!
:
D605
(MULTI
|
JOG)
!
!
Q601
B6
teseic
heel
RESET
/*—
*
5
KEY
SWITCH
(S601~613)
FL2
FL
DISPLAY
FL1
“yr,
|

Related product manuals