EasyManua.ls Logo

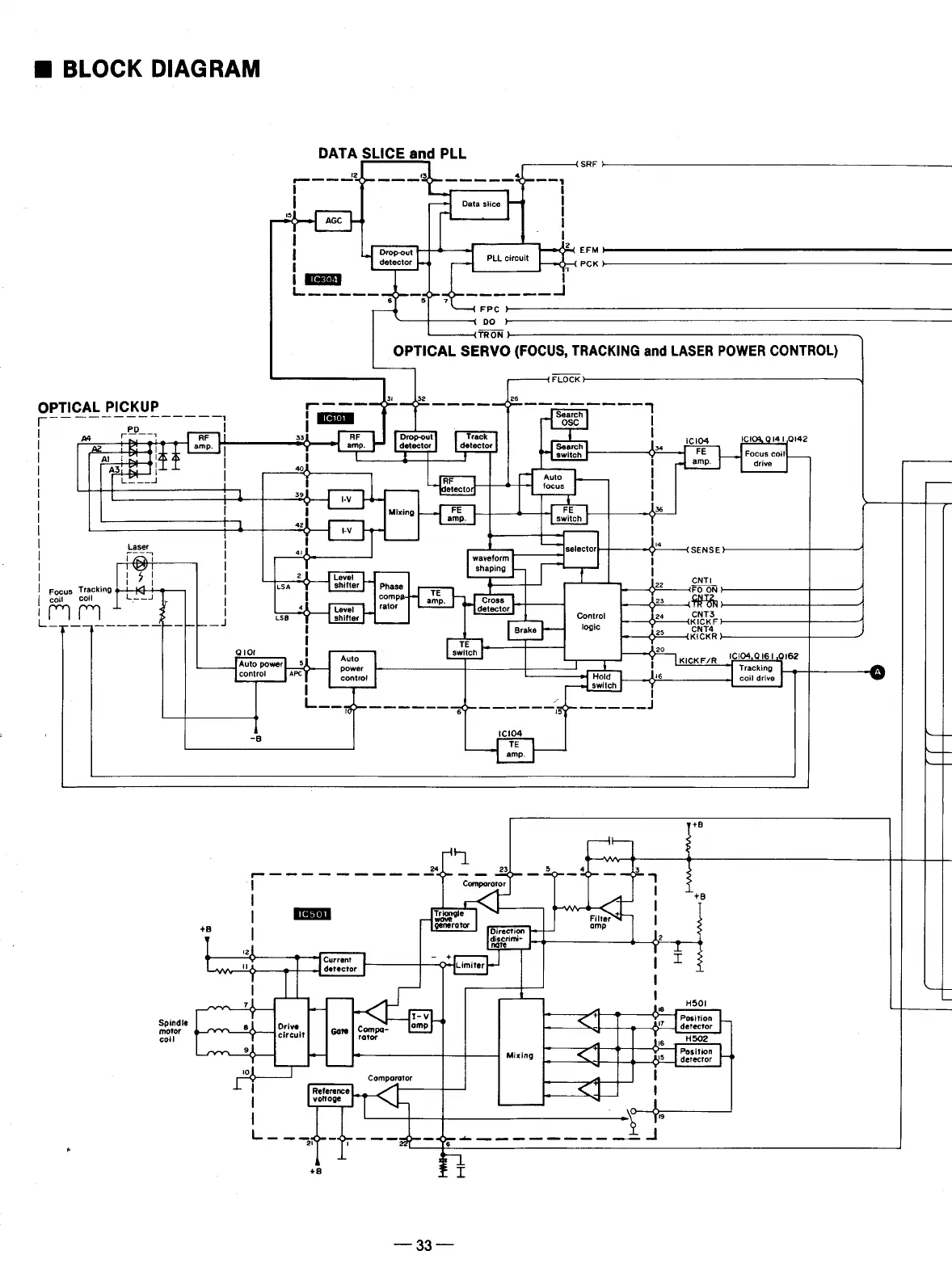
Technics SL-P110 - B Block Diagram

Technics SL-P110
36 pages
Print Icon
To Next Page IconTo Next Page
To Next Page IconTo Next Page
To Previous Page IconTo Previous Page
To Previous Page IconTo Previous Page
Loading...
B
BLOCK
DIAGRAM
DATA
SLICE
and
PLL
{
SRF
»
4
——
e
—_—
[
Data
slice
|
|
1
I
Drop-out
2
EFM
rop-ouf
o
detector
PLL
circuit
PCK
-
)
J
O
——————
FPC
»—
= DO
)
——{TRON
)—
[
OPTICAL
SERVO
(FOCUS,
TRACKING
and
LASER
POWER
CONTROL)
{FLOCK
}
~
26
OPTICAL
PICKUP
————
——
e
PrmT
T
S
==
|
momm
!
%)
R
B
33)
|
RF
Drop-out
Track
C104,
Q14
1,0142
|
A2
H
E
1
Lame
[
N
4
|
R
|
AL
'l% %
|
.1
¥
Focus
coill
|
A3,
E
{
40
drive
|
|
RF
»
focus
l
1
39
v
e
—L
|
i
i
FE
v
]
L]
}
Laser
I
.
—$"'
—(SENSE
)}
4
|
;
@
; |
w:ve"wm
i
shaping
I
1
i
nivd
S
-
'
Foous
Tracking
gty
I
R
Phase
Qe
Foon
¥
i
-
.
|
coi
1
j
l
.
e
rator
amp.
d(e:t[::lso
]
23
J%
3
A
L‘
I
l
7
]
=5
7
shitter
Control
24
"c(:#:1;(3F
b
I
T
R
e
i
Brake
logic
“CNTa
(
1
Q2
——{KICKR
-
/
°A":'
5'
i
switeh
|
wickrsr
|
1104,Q161,0162
controt
coil
drive
1
|
L——'
———_——46*_——-——
!
-8
%fe
"1
|
Comparator
|
+8
|
T
+8
|
generator
Direction
1
discrimi-
12,
[
-+
M_?—..P
Greenr
T
|
7
1-v
Spindle
8
Drive
amp
Compa-
o
circuit
Gare
|
-ompa
9
Mixing
fi&———“
Comparator

Related product manuals