EasyManua.ls Logo

Technics SL-P110 - Motor Drive

Technics SL-P110
36 pages
Print Icon
To Next Page IconTo Next Page
To Next Page IconTo Next Page
To Previous Page IconTo Previous Page
To Previous Page IconTo Previous Page
Loading...
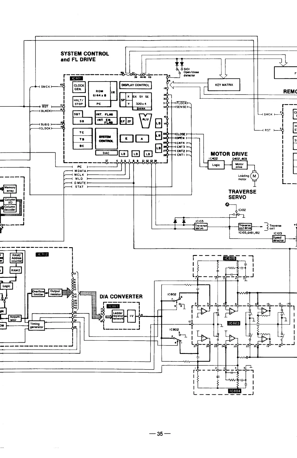
SYSTEM
CONTROL
and
FL
DRIVE
Q
OGI
O
=
l
39
4446
49
f-‘H
smeK
s,:
ZL&CK
|
DISPLAY
CONTROL
I
I
:
ROM
IR
i
61442
8
X
[SX
SY
SE
i
HALT/
SP
FUOCK
3
STOP
PC
Y
320x4
310~
<
FLOCKI—,
¢
TS,
"$
ANK
—(SENSE
|
———(
BLKCKY
|
SBT
INT.
FLAG
.ol
l——tsuBq
i
——cLbek
-
1
;
1
[
.
=
[—{CLOSE
|
(CO
BEEse
-
CNTE
L8
I
CNT3
%SIOI
Open/close
—-—
detector
U
I8
:
KEY
MATRIX
REMC
M
CNT2
1
CNT
1
2
—{
SMCK
)—?
al
l
Tollwoxt
|-
R
e
———
T
11
MOTOR
DRIVE
I
TRAVERSE
SERVO
1C102
.__o?
A
i
ICi03
sar
vo
hd
Traverse
1CI03,Qi81,182
IC103
raverse
Traverse
+E
coil
drive]
coll
l
d
|ipvee::'or
J
I
D/A
CONVERTER
|
i
|
b
d
i
Ladder
!
resistor]
v
|-o
etwork]
|
s
e
o
g
‘————e
AA
25
2a)
23]
22|
is
©

Related product manuals