EasyManua.ls Logo

Technics SL-P110 - Page 36

Technics SL-P110
36 pages
Print Icon
To Previous Page IconTo Previous Page
To Previous Page IconTo Previous Page
Loading...
Fi
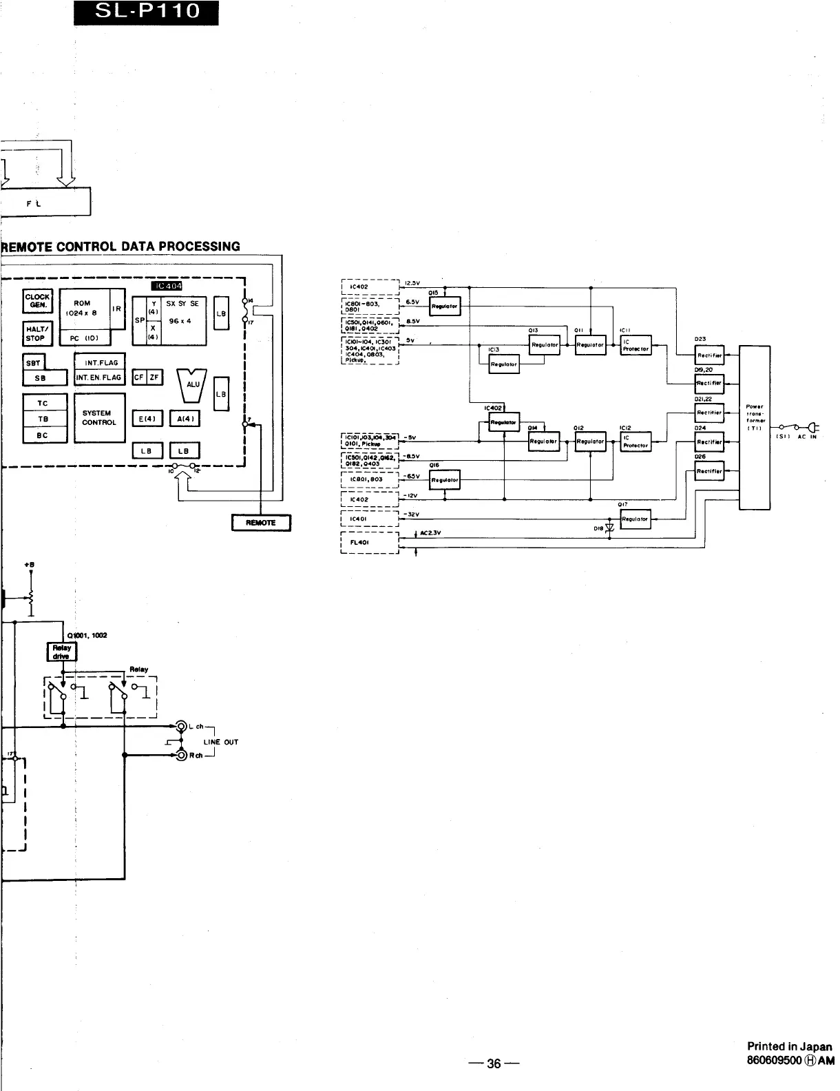
hEMOTE
CONTROL
DATA
PROCESSING
'H
-
——
e
CLOCK
GEN.
ROM
R
10R4x
8
SPt—
96x4
HALT/
X
STOP
PC
(10)
4)
SBY
I
INT.FLAG
s8
]
INT.
EN.
FLAG
[CF
I
2F
I
TC
SYSTEM
o
||
cowmo.
|
[ee]
[ae]
BC
+8
-
-~
Y
|
Sx
s
SE
"
@)
LB
$
I
]
T
3
=
1
bmmm
———————
1
|
ica0z
|25V
______
-
Qi5
,'_ncsm-so:s,
_1'
6.3V
]
o8
_
_
|
J
Icsor,
aiai,0601,
|
8:3
Lowsi
ae02
"
a3
o1l
{‘.c‘m-.o.f.aa
v,
|
RO
p23
|
304,1C401,1C403
|
113
1
i1
Ic404,0803,
|
Rectifier
Pickup,
i
——————
Ragulator
019,20
021,22
1¢402 Power
rrons-
Regulator
tormer
Q1
12
ci2
D24
(T
Rectifier|
Iicsoi,
0142
o2,
|
-85V
|
ois2,
0008
i
1Sy
AC
IN
Q7]
=3,
1
1cao
22V
I
|
toTooos
2
o018
I—]
e
9
§ac23v
' f
|
FLeol
~
a7}
Printed
in
Japan
860609500
)
AM

Related product manuals