EasyManua.ls Logo

Technics SL-P111 - Power Source

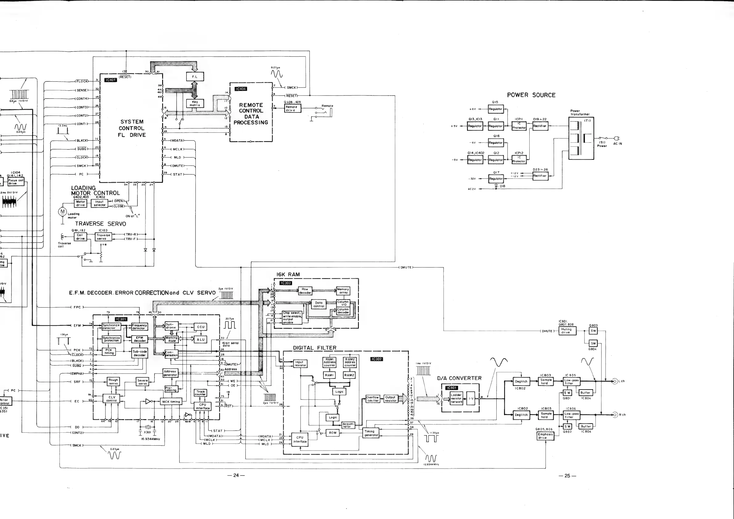
Technics SL-P111
25 pages
Print Icon
To Next Page IconTo Next Page
To Next Page IconTo Next Page
To Previous Page IconTo Previous Page
To Previous Page IconTo Previous Page
Loading...
O23
ys
AVA
rc
/
SMCK
TW
sense
24
ae
O5ps
I/01V
contar
254
{
=
Nagi
—H
CONT3>
zt
REMOTE
|,
aan
5__Remote
CONTROL
nee}
DY
conta
274
BATA
|
oo
sat
conti
264
SYSTEM
PROCESSING
|
MV
|
|
|
CONTROL
=
3
a
\
FL
DRIVE
3
|
|
Paps
25
2S
acxcxr
4
fo
wont
SUB
rp
zah
St
MciK
eLocK—-f
suck
++
S34
$2
ome
1c104
4
Q14i,l42
Pc
-——t
Focus
coil
———
CLOSE
29
4
sTaT
al
LOADING
a
eg
2ms
nied
MOTOR
CONTROL
|
|
,
| :
Q402,403
1402
lis
Loading
motor
TRAVERSE
SERVO
Qigl,
182
IC103
eee
ole
ul
TRV-F
ON
at"L"
Troverse
coil
12
+}
re
62
ing
ive
POWER
SOURCE
Qis
+6V
Regulator
Power
transformer
Q13,1C13
Qiu
0IS~22
Qié6
Ql4,IC402
Ql2
IcPl2
1c
7
eM
Protector
023~26
Qi7
+12V
—12V
Rectifier
-32v
Ac2v
701V
2ps
'V/D1V
E.F.M.
DECODER.
ERROR
CORRECTIONand
CLV
SERVO
I6K
RAM
4
DMUTE
}
FPC
}
79
78|
0
Chip
select.
T_
°
°
a
en
ees
write
enable,
output
1C801.
EFM
uk)
Synchronize
y-=jFrequency
Q807.
808
Q803
detector
detector
{
DMUTE
}
136
ps
Synchronize
EFM
fz
l
|
Protection
decoder
||
72
PCK
9
Sub-code
\
tLoeKy-—_24
ting
decoder
t
Tew
—eikcx}—_!d
Input
Address
Addres
vatrwbiy
NGS
Ne
SUBO
}
am
resistor
counter
counter
—eMPHA)
generator
FF
D/A
CONVERTER
|
——
KR
Severe
i
Low-pass
eee
Deglitch
Leh
cessing
Buff.
aaa
[sw]
Mi
resistor
Qsol
(C804
+4
EC
}
/>o
MCK
timing
network
C35)
a
|
'1cB02
IC803
(C806
1351
eee
—-
ir
Oo
6 d
=
=O
6
17
16
12]
20°
25
\
ke
pa
Do
+
0
\
Gacs-e0s
—{
CONT2)-
iE
X301
I
STAT
}———
1.35
ps
—Em
Tails
Qso2z
1€804
IVE
{MDATA}-
M4
4MDATA
}
16.9344MHz
{MCLK
}
ai
4MCLK
>
|
|
ule
—1
SMCK
}
MLD
}
—{
MLD
}
ae
O.23ps
ne
16.9344MHz
—24—
25

Related product manuals