EasyManua.ls Logo

Technics sl-pd887 - Block Diagrams

Technics sl-pd887
41 pages
Print Icon
To Next Page IconTo Next Page
To Next Page IconTo Next Page
To Previous Page IconTo Previous Page
To Previous Page IconTo Previous Page
Loading...
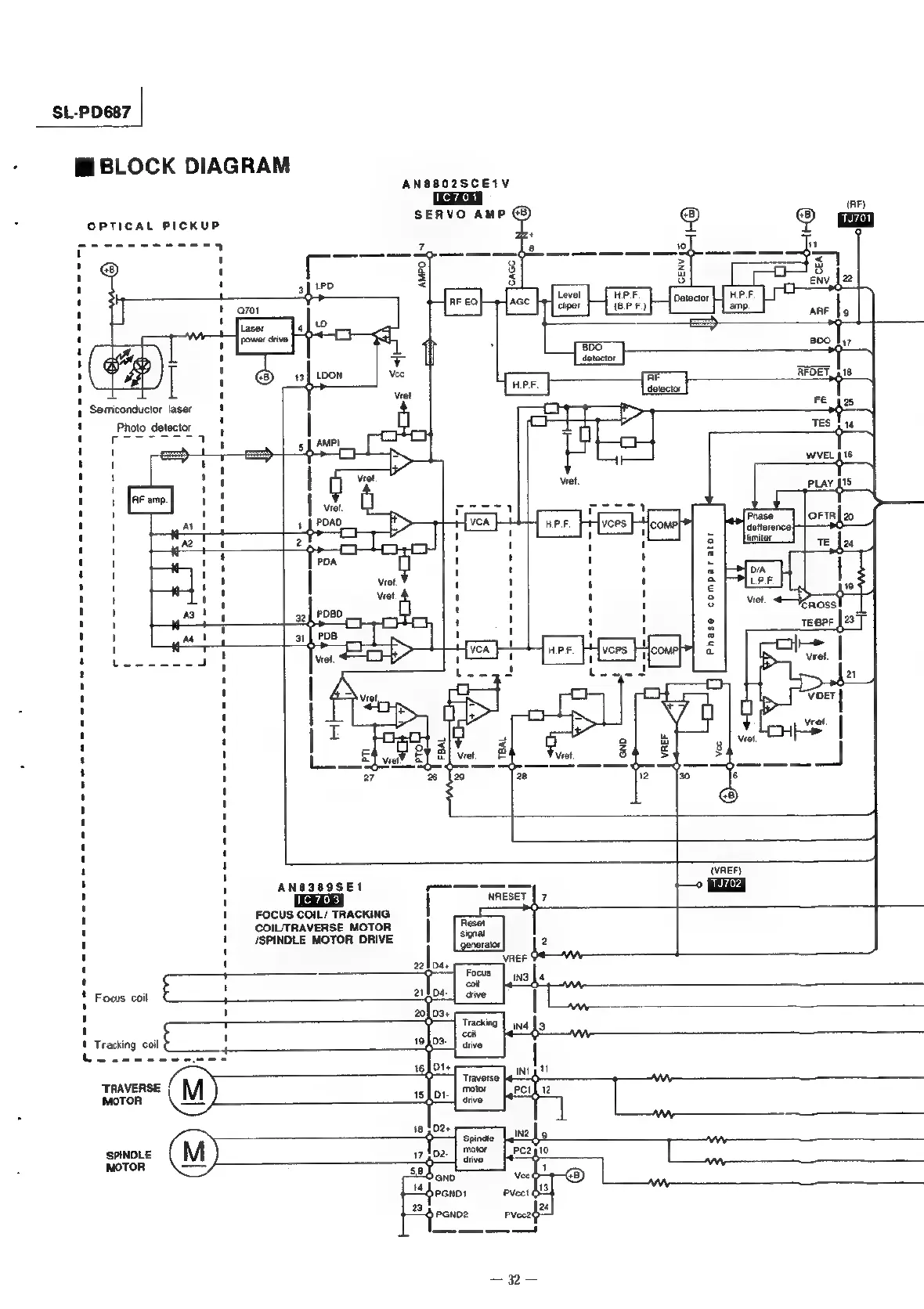
SL-PD687
Mi
BLOCK
DIAGRAM
AN8802SCE1V
SERVO
AMP
©)
®
id
OPTICAL
PICKUP
®
cy
‘Semiconductor
laser
to
detect
comparator
Phase
(VREF)
AN8389SE1
———
j
FOCUS
COIL/
TRACKING
COILTRAVERSE
MOTOR
|
(SPINDLE
MOTOR
DRIVE
Focus
coil
E
4
Tracking
coil
Se
en
ee
Et
selon
TRAVERSE
sl
i
eee
l~
sanoe
(
M
2.
7
MOTOR
Se
ono
4h
eqno1
Pvect
O
23
PGND2
——PVcca
Fea
eae
—32—

Other manuals for Technics sl-pd887

Related product manuals