EasyManua.ls Logo

Technics sl-pd887 - Page 27

Technics sl-pd887
41 pages
Print Icon
To Next Page IconTo Next Page
To Next Page IconTo Next Page
To Previous Page IconTo Previous Page
To Previous Page IconTo Previous Page
Loading...
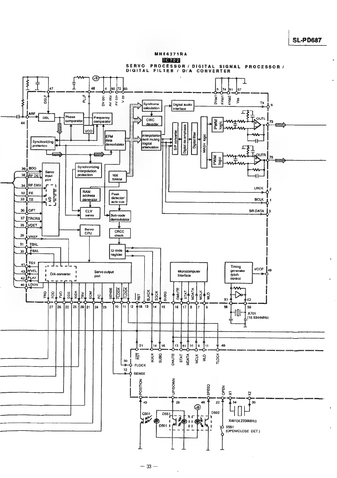
SL-PD687
MN66271RA
SERVO
PROCESSOR
/
DIGITAL
SIGNAL
PROCESSOR
/
DIGITAL
FILTER
/
D/A
CONVERTER
X401(4.2336MHz)
$551
(OPEN/CLOSE
DET)
a=

Other manuals for Technics sl-pd887

Related product manuals