EasyManua.ls Logo

Technics sl-pd887 - Page 28

Technics sl-pd887
41 pages
Print Icon
To Next Page IconTo Next Page
To Next Page IconTo Next Page
To Previous Page IconTo Previous Page
To Previous Page IconTo Previous Page
Loading...
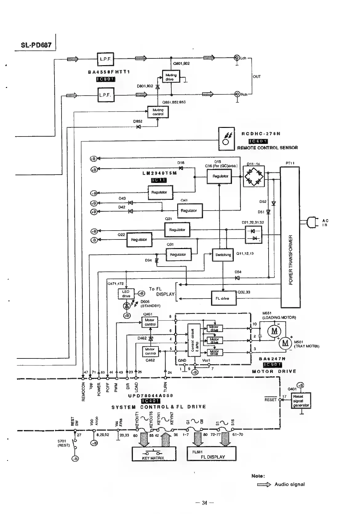
SL-PD687
>
==>
==>
Ou
801,802
BA4SS8FHTT1
hel
==>.
ere
RCDHC-278N
fo)
REMOTE
CONTROL
SENSOR
@
016
blag
D11~14
PTY
Q16
(For
(GC)area.}
LM2940TSM
1C11
2
baa
3
8
F
g
5
Bs
27
ma
wen
@
g
BS
22
ae
9
POWER
TRANSFORMER
DISPLAY
232,33
+
M551
(LOADING
MOTOR)
M501
(TRAY
MOTCA)
BAG247N
MOTOR
DRIVE
$3
—4 —d
eS
@Gtz
£2
z
7
"ge
z
99
2
UPD78044A058
SYSTEM
CONTROL&FL
DRIVE
Bo
ese
8
383
EME
8
ag
33
Ew
82
a8
gg
eve
S
ro
TF
TTD
oo
fi]
ss
Not
[==>
Audio
signal
34

Other manuals for Technics sl-pd887

Related product manuals