EasyManua.ls Logo

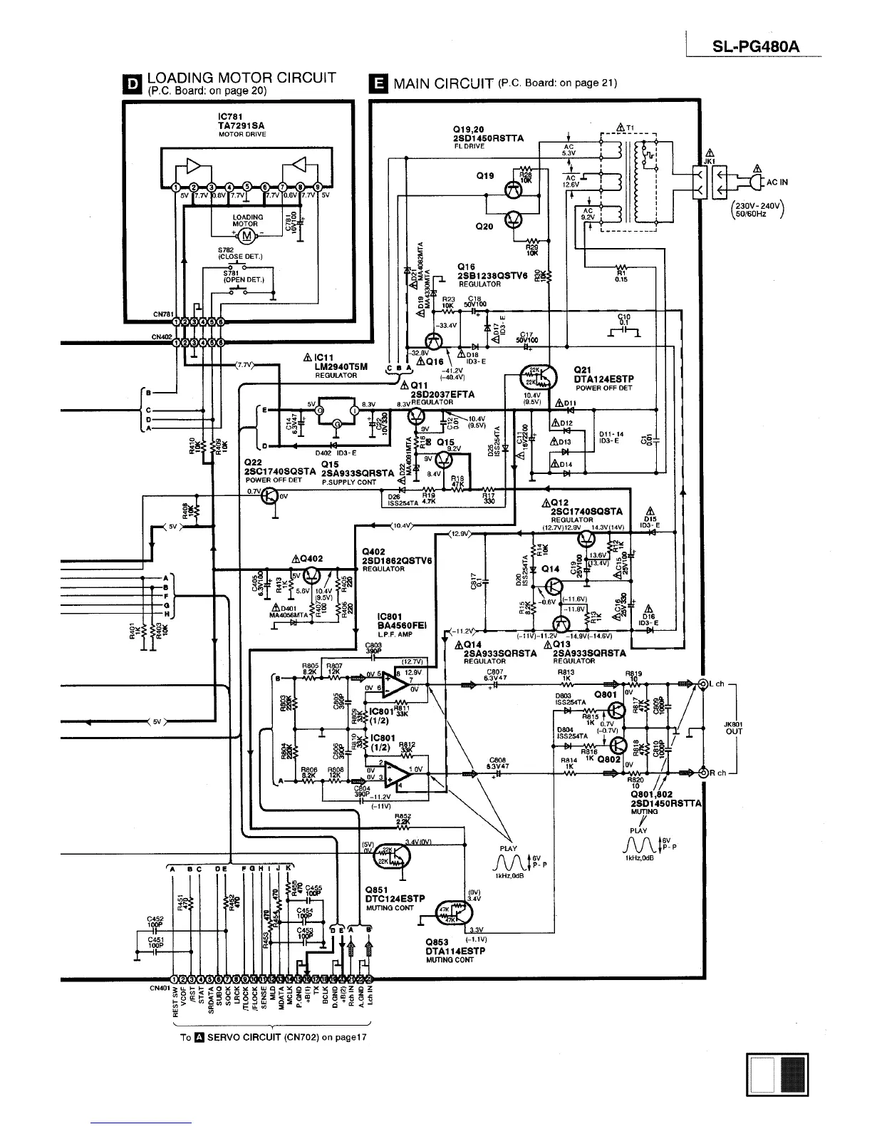
Technics SL-PG480A - schematics - Loading Motor Control; Loading Motor Drive; Main Circuit Components

Technics SL-PG480A - schematics
4 pages
Print Icon
To Previous Page IconTo Previous Page
To Previous Page IconTo Previous Page
Loading...

Related product manuals