EasyManua.ls Logo

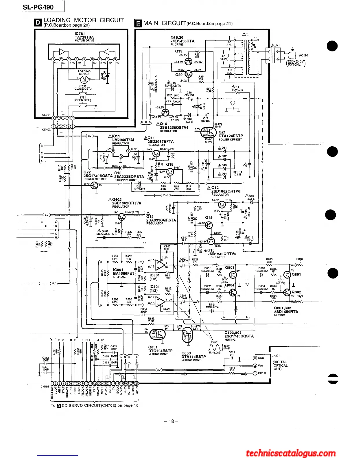
Technics SL-PG490 - Loading Motor Circuit; Main Circuit

Technics SL-PG490
36 pages
Print Icon
To Next Page IconTo Next Page
To Next Page IconTo Next Page
To Previous Page IconTo Previous Page
To Previous Page IconTo Previous Page
Loading...

Other manuals for Technics SL-PG490

Related product manuals