EasyManua.ls Logo

Technics ST-7300 - Page 18

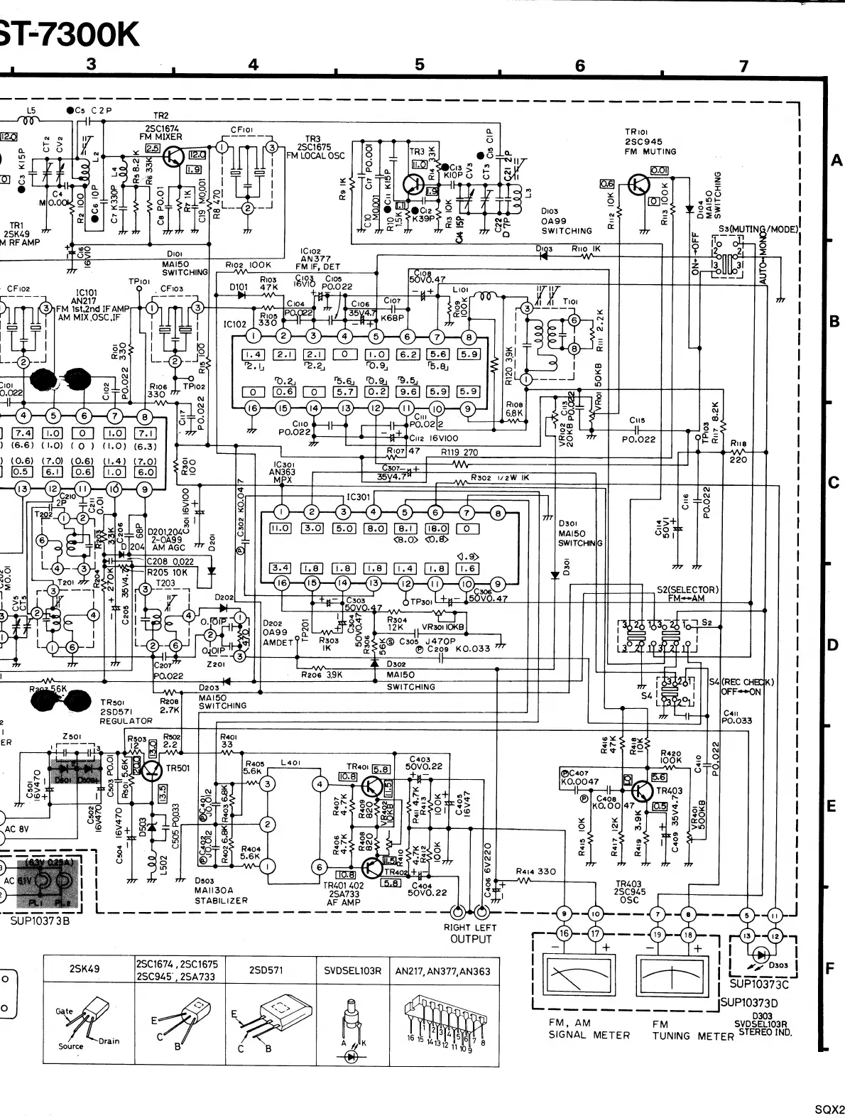
Technics ST-7300
18 pages
Print Icon
To Previous Page IconTo Previous Page
To Previous Page IconTo Previous Page
Loading...
|
en
aa
aaa
aaa
aes
ces
See
ee
ee
ge
ee
oe
Ee
TRiol
TR2
3
@Cs
C2P
L5
3T-7300K
<
ra)
O
|
a
Lu
Li.
bi
m
10
«3
a
3
Zz
:
OO
ns
ig
8
99
ONO
@N'IS
5
sav
—-
©
OWnj
Z
Ce)
la
Sob
BI
A
qarstesenig
oNisaien
=
&
7
Tou
v01Q
e
+
|
z
(oH)
|
3
g
S
|
s5
a
sf
CHE)
|
we
oe
Crs
ergy”
to
|
|
|
Mire
Oil
¢
TOW
|
x
=
TNO
|
|
Ww
aT
MOI
ZY
86
veers
°
+
|
ft
to
Ci
x
z2
5
fee
ut
C26
|
=
cae
of
S81@
yo
sivy
aq
x
|e
20'Od
anoz
S35
ye
|
_-2
ae
END
201A
GOs%
Ox
(*)
eS
|
l
SO
Sas
uo
G06
|g
Pe
Rai4
330
dLa
+)
:
-
90”
uu
k-
~
dID
SID
615
r9
OZZAQ
90%
ee
oe
ro)
oO
7a
om
S
9
75
|
4
x
oO
.
O12
oO
=O
Ct
>
ja
aro)
N
>
©
a
°
as
50
S
ae
x
©
O
9
Ye)
O
@)
x9S
100°Od
LD
Old
Sst
ma.
=
nN
at
OQ
m1
6Y
led
x
ai.
ro)
Wl
SS
on
et
ay
KO
OF
ZO
22=)|0
Ly
Fag
Ogqs|o>
cx
=
Ww
joe
47K
Ri03
Chel...
Rio2z
lOOK
D101
MAII30A
STABILIZER
Ds03
Oey
|
OOIAYI
10£
Droi
MAI50
SWITCHING
CFi03
[
|
ul
R106
T
.
4
al
25C1674
,
2SC1675
2SK49
25C945'.
25A733
2SD571
SVDSELIO3R
|
AN217
ty
=
|
~
=
|e
ef
9Y
a
eee
“l@y|n|%
o
3)
"aay
cour
ee
-
a
Z
a.
Z20°Od
~
A
_&Ro
vg
}—-——f
=
O¢€e
2
oWMnD
e1
dOfEW
29
qh
lol
(~)|2}2
_
cow
Bs
Z2019
=
=
EN
ge
A
—|O02b/9I
27
d0!
99@
gr
go
i
Be
as
20S)
Bsc
Wy
OIA!
NN
x
(‘o)
5
8
POUR
Y
Corea
|si9
Ons
3
|
sai
=z
v1
——
Sar
e
ZAD
Del
Te
Sy
BE
ro)
Oo
a
219
pa
m
!
(19)
Lt
ees
2
te
ox
Qo.
az
|g!
b
q5
@
a
dGIM
£0@
oat
21
KIl6é
6
1
SQX2

Other manuals for Technics ST-7300

Related product manuals