EasyManua.ls Logo

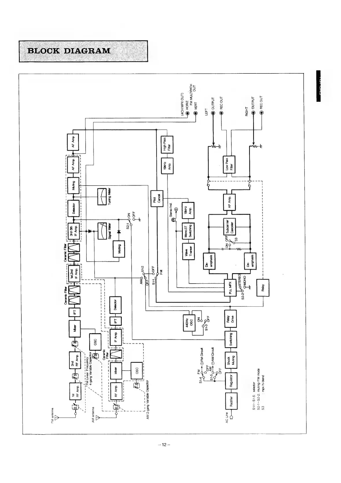
Technics ST-8080 - Block Diagram

Technics ST-8080
28 pages
Print Icon
To Next Page IconTo Next Page
To Next Page IconTo Next Page
To Previous Page IconTo Previous Page
To Previous Page IconTo Previous Page
Loading...
=
1no
934
©
indino
@
LHI
1N0
934
©
indino
@
1431
ino
LUBA
HiWdLcInW
W4
ZiuOH
@>
(LNO
XdW
HOP)
1
oud
ue
&
Pusiq-ry
xd:
es
apow
W4/Buynw
-2-ZS—1-ZS
AOPSPS
“SLS—-bLS
soypedeg
erqeuien
Bue-z
WW
pees
aiqelen
Bueb-y
if
Sue
Ley)
Aguenbei4
seeun
Wo
ty
soe
eee
See
eee
Hees
e
“HEH
a
=apa
|
,
Puuayue
4
—12—

Related product manuals