EasyManua.ls Logo

Technics SU-3 - Page 7

Technics SU-3
15 pages
Print Icon
To Next Page IconTo Next Page
To Next Page IconTo Next Page
To Previous Page IconTo Previous Page
To Previous Page IconTo Previous Page
Loading...
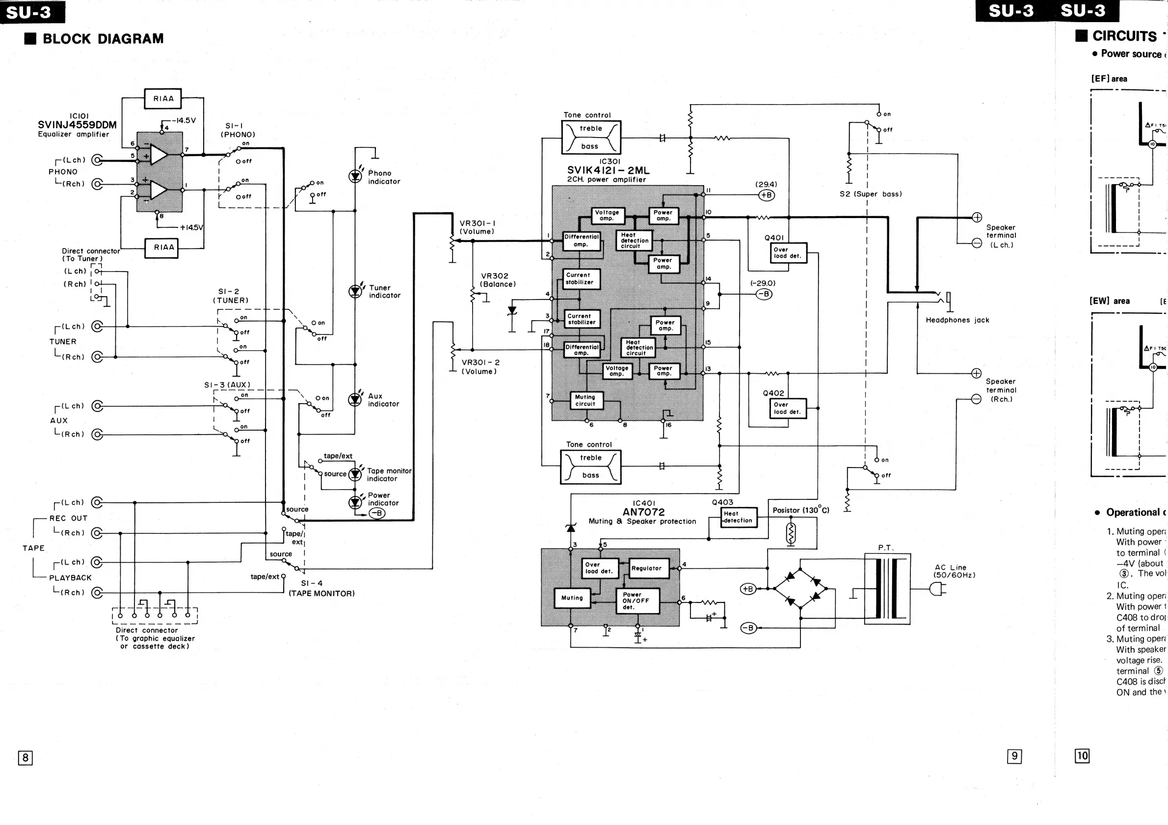
ICIO!
one
control
.
seal
:
.
:
°
SVINJ4559DDM
.
I-
|
treble
O
off
Equalizer
amplifier
(PHONO)
s
.
on
.
.
bass
IC3OI
SVIK4121—
2ML
2CH.
power
amplifier
indicator
S2
(Super
bass)
VR3OI-|
(Volume)
Speaker
detection
terminal
. :
{
Direct
connector
SIE
CUM
Svar
:
(L
ch.)
(To
Tuner
)
load
det.
|
pa
)
VR302
Current
stabilizer
(Balance
4
Tuner
indicator
SI-
TUNER)
EW]
area
(E
Headphones
jack
detection
circuit
off
VR3SOI-
(Volume
)
, |
=
|
Speaker
!
eer
ara
|
termina
|
0
Riba
(Rch.)
Le
0
indicator
Over
|
rs
CS
off
load
det.
|
:
AUX
3
|
LiR
ch)
CG
|
off
|
Tone
control
.
a
Tape
monitor
indicator
4,
Power
pet
ch)
(O
indicator
IC40l
5
|
:
:
:
AN7072
C)
|
e
Operational
«
REC
OU
Muting
&
Speaker
protection
|
1.
Muting
oper:
|
With
power
-
|
to
terminal
(
AC
Line
.
|
—4V
(about
©
(50/60Hz)
.
The
vol
IC.
.
Muting
oper:
With
power
1
C408
to
dro}:
L(Rch)
O
|
riL
ch)
G
7
PLAYBACK
im
tape/ext
9
sia!
LR
ch)
,
(TAPE
MONITOR)
ra
pd
te
D-<©
O
O
|
=
Gs
ra
enon
ie
ee
te
Direct
connector
7
|
of
terminal
.
(To
graphic
equalizer
3.
Muting
opere
or
cassette
deck)
| .
. | | |
With
speaker
|
|
|
-
voltage
rise.
terminal
:
: :
)
C408
is
disch
|
| |
| |
=
ON
and
the
\.
é

Related product manuals