EasyManua.ls Logo

Technics SU-C03 - Page 10

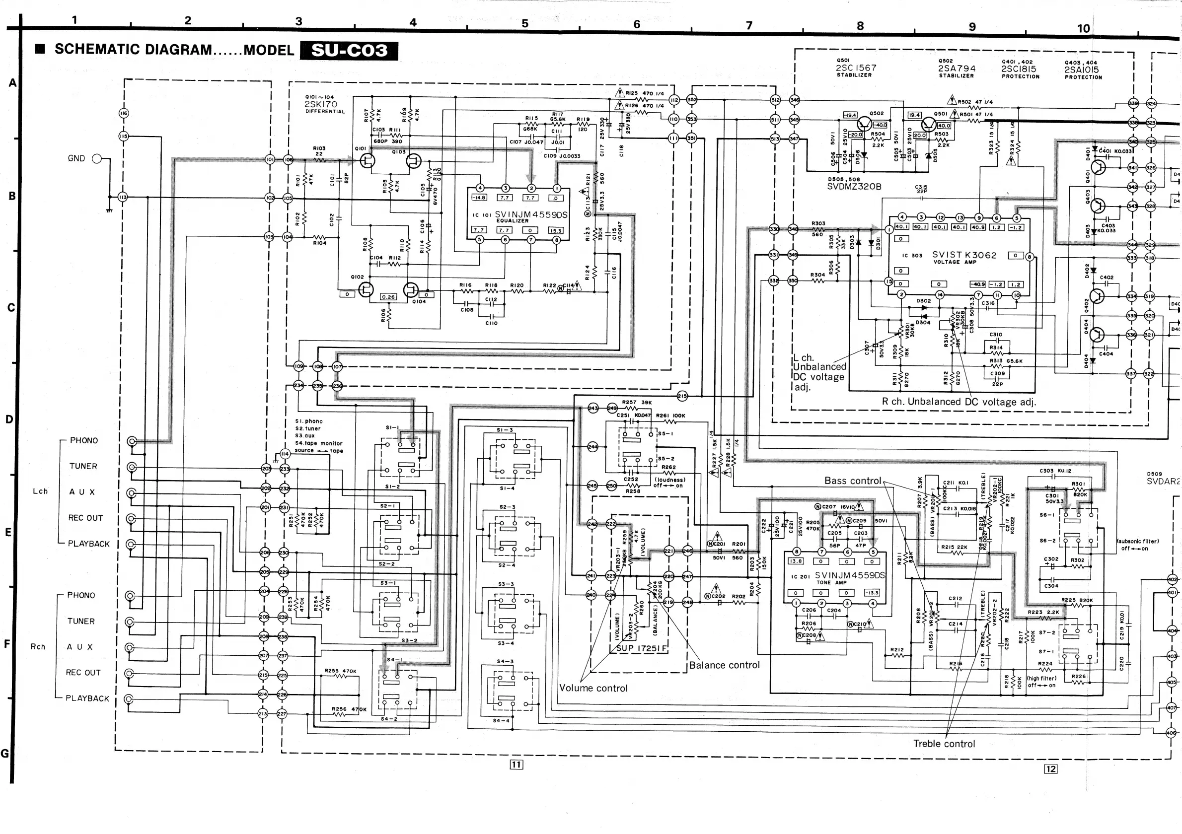
Technics SU-C03
14 pages
Print Icon
To Next Page IconTo Next Page
To Next Page IconTo Next Page
To Previous Page IconTo Previous Page
To Previous Page IconTo Previous Page
Loading...
1
2
|
3
|
4
ate
eee
tue
ie
es
«ak
7
8
9
10
[-
501
a
-
esoz
9401,
402
0403,
404
|
2SC
1567
~
2SA794
~
2SCI8I5
2SAI015
|
:
.
|
STABILIZER
STABILIZER
PROTECTION
PROTECTION
[A
R125
470
174
Terie
:
a
QI0InN
104
2SKI7O
Q50!
A\
RSO!
47
1/4
4
|
|
|
:
G49
:
:
|
A\rsoz
47
1/4
Z
639)
G24)
———
|
:
Gd
|
|
|
(ie)
|
|
DIFFERENTIAL
RIS
gs.ek
ORIG
|
611)
G49)
;
ia
|
|
613)
Ga?
|
3
m
<
=
(15)
|
:
|
a
rm
i
|
ane
4
©
N
pooeease
Oo
|
|
!
SVDMZ320B
Ss
cgig
|
conn
a
‘D4
?
i
|
+
ae
|
:
$
<3
303486
se
|
ic
303
SVISTK3062
Lo
J),
|
VOLTAGE
AMP
|
Rilé6
Ris
RI20
..
|
ae
|
|
|
zs
|
|
|
|
|
|
|
|
jt
ch.
ee
ee
a
(yO
=e
on
ee
ee
ee
a
Unbalanced
|
7
|
IDC
voltage
22P
,
|
ladj.
.
_
|
|
I
R
ch.
Unbalanced
DC
voltage
adj.
!
|
p
b-—-—————-—————
————
|
St.
phono
bm
ee
EE
-
S$2.tuner
$3.
PHONO
|
Oy
occa
monitor
(ia)
source
~—=
tape
|
C303
KU.12
TUNER
S
;
;
5
0509
|
aan
oy]
TTT
|]
40°
9
4
:
Bass
control
im
ca
Koi
|
a8
SVDARZ
b
:
|
2
wd
ets)
s
uch
|
aux
|
Poel
eee
Ie
er
i
ge
ee
see
LES
sas
l
=
C213
KO0.018
:
|
REC
OUT
|
:
ay
183
|
i
|
iz
subsonic
filter)
|
.
PLAYBACK
|
©
Ea
Gai
)shae
WN
aaa
|
|
.
Leo
Poe
Ye
TLRS
Oro
ie
Or
ere
acs)
tie
co
cel
|]
esl.
|
“=
A
:
Li
°
@c202
R202
“4
abe
PHONO
|
ot
E19)
bag
te
a1
¢
-
Ww
ry
-
(oe)
°o
:
:
=22
:
TUNER
|
é
z
|
>
>
,
|
wie
:
oe
eee
j
s
ie
_L
OT
|
s
Rech
AUX
O)
°
|
|
Go}
637
|
ees
>
aa
z
|
|
eae
BF
off~<—»
on
:
|
ae
a
|
=
3
Volume
control
.
,
lng
et
*
|
PLAYBACK
;
©
Ce
|
|
a
7
7
|
Lf
,
G07
|
earn
Carenee
[
|
e'3)
e2)
s4—4
[7
|
1
|
o
|
|
Treble
control
a
J
a
a
a
ee
a
ee
a
a
Na
alae
ge
a
a
a
J

Related product manuals