EasyManua.ls Logo

Technics SU-C03 - Block Diagram of ICs

Technics SU-C03
14 pages
Print Icon
To Next Page IconTo Next Page
To Next Page IconTo Next Page
To Previous Page IconTo Previous Page
To Previous Page IconTo Previous Page
Loading...
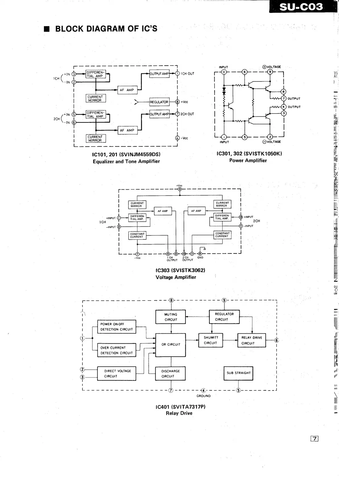
"BLOCK
DIAGRAM
OF
IC’S
eae
ee
ee
ee
|
1C101,
201
(SVINJM4559DS)
Equalizer
and
Tone
Amplifier
INPUT
©
VOLTAGE
1C301,
302
(SVISTK1050K)
Power
Amplifier
+Voec
maa
a
aaa
aa
a
aa
a,
|
|
is
|
CURRENT
;
MIRROR
|
|
|
east
(1)
+tINPUT
1CH
2CH
-inpuT
()
—INPUT
(C303
(SVISTK3062)
Voltage
Amplifier
p----------------
@-----------
)-
-----~-~--;
y
be
ai
|
fi:
?%
;
.
REGULATOR
-
a
|
.
.
CIRCUIT
,
POWER
ON.OFF
|
l
DETECTION
CIRCUIT
;
alate
|
OVER
CURRENT
DETECTION
CIRCUIT
DIRECT
VOLTAGE
CIRCUIT
eee
eee
1C401
(SV1TA7317P)
Relay
Drive
a
WSs
Bsr
ee
xe
XS
aes
ce
eee
a
8
ie
ae:
om
aoe
=a

Related product manuals