EasyManua.ls Logo

Technics su-v560 - Page 12

Technics su-v560
18 pages
Print Icon
To Next Page IconTo Next Page
To Next Page IconTo Next Page
To Previous Page IconTo Previous Page
To Previous Page IconTo Previous Page
Loading...
m@
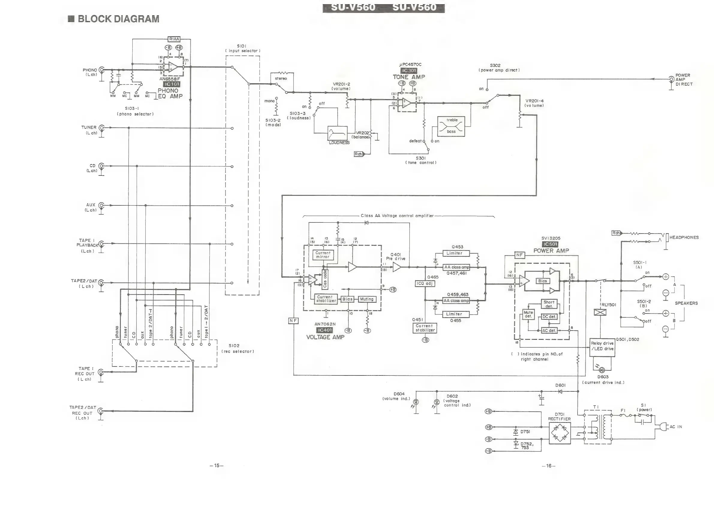
BLOCK
DIAGRAM
$101
(
input
selector
)
re
|
|
-
|
uPC4570C
$302
|
|
(power
amp
direct)
ran
|
TONE
AMP
row
|
?
a
VR201-2
DIRECT
|
(volume)
4
8
on
|
|
|
2
fom
:
|
|
|
mono
oft
att>
a
7
VR201-4
S103-1
|
|
l
ond
o
o
off
(vo
lume)
(phono
selector)
|
|
SI03-3
¢
|
|
|
slo3-2
(loudness)
jreble
TUNER
©
[oe
j.
||
Seese
_—
(L
ch)
|
|
|
Ne
vR202
bass
|
A
(balance).
|
|
|
LOUDNESS
Q
oon
|
Ra
J
|
|
|
$301
co
©
=
|
(tone
control)
(Leh)
| |
|
|
|
|
|
| |
|
|
!
|
|
|
AUX
(O ~
|
(Lh)
|
|
|
|
|
~——————_——_
Class
AA
Voltage
control
amplifier
—————————————____,
|
A
ap
td
|
|
Ln
TAPE
|
SV13205
HEADPHONES
|
| |
o
elas
[-
|
Q453
(Leh)
|
|
Sonier
POWER
AMP
Bb
a
|
Pe
drive
5
3
F
|
=
|
ia)
|
|
|
0457,461
on
es
TAPE2
/DAT
(6
_
,
|
oo
°
]
(Leh)
in.
eee
|
|
off
j
le
i
Pe
I
=
Le
oman
ance
aes
!
a
a
:
stabilizer
AA
class
amp]
amp
IRLYSOI
eg
SPEAKERS
it
8
ii
SS
on
fe
S
oa
S<
——e-
a
-
INF]
Q451
°
S
]
FI
an7o6en
ane
pot
8
of
e
N
of.
=
Current
it
sl
Elal=|al
8]
£|
ol
sl
2
9
=
5 5 o
<=
3 =
o
af
=)
0} 0)
2]
ay
=]
9) 9)
Fy
VOLTAGE
AMP
Q501
,D502
ree}
be
Boo
6
|
eis
Relay
drive
|
|
(rec
selector)
7LED
drive
|
(|
)
indicates
pin
NO.of
|
P
|
i
a
at
etree
°
|
right
channel
~
TAPE
|
5
L——-j—~——————-—
—-—-4
=o
RE
ay,
C
OUT
5
ia
(
t
drive
ind.)
BeO%
current
drive
in
D604
S
4
peo2
+h
(volume
ind.)
&
@)
(voltage
TAPE2
/DAT
73
at
control
ind.)
rT
S|
7
c-—-—-——
Fl
(
power)
REC
OUT
D7Ol
(Lech)
RECTIFIER
—16—
~15—

Related product manuals