EasyManua.ls Logo

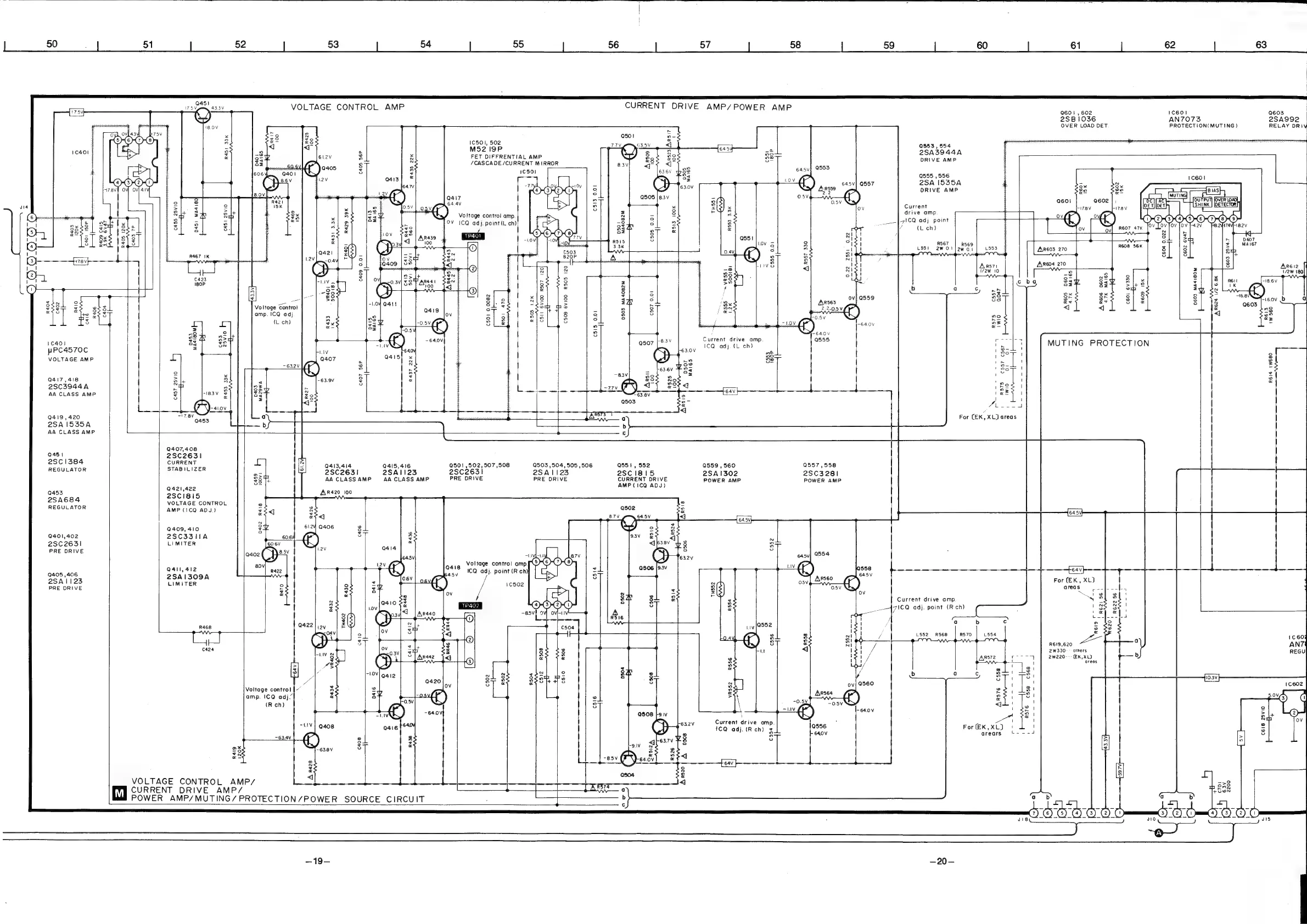
Technics SU-V90D - Schematic Diagram (Continued); Power, Control, and Protection Circuits

Technics SU-V90D
26 pages
Print Icon
To Next Page IconTo Next Page
To Next Page IconTo Next Page
To Previous Page IconTo Previous Page
To Previous Page IconTo Previous Page
Loading...
a451
“55
17
5
Vem
43
3V
VOLTAGE
CONTROL
AMP
CURRENT
DRIVE
AMP/POWER
AMP
Q601
,
602
1c601
Q603
&
2SB
1036
AN7073
2SA992
OVER
LOAD
DET.
PROTECTION(MUTING)
RELAY
DRI
*
18.0V
n
Oph
ovf43
W75V
x
8.
501!
o-
EH
HE)
2
=8
1C50
|,
502
635V
.
<q
0553,
554
\cao1
ES
3
i
s
MS2
I9P
ie
at
8
28A3944A
>
=
Lav
S
FET
DIFFRENTIAL
AMP
Bes
88
DRIVE
AMP
(-
37
/CASCADE/CURRENT
MIRROR
gy
<
>
:
@
0405
8
iésoi
exe
S
;
0413
=)
0555
,556
eae
e
pi2V
\
2
OOO)
'
:
CP
SENG
GME
Ste
47ev]
0
4t
go oo
:
||
By
‘ane
=
0505
|a3v
a6ol
Q602
|;
Loot
via
SS
°
.
F
My
av
5
x
Current
ied
iray
WET
=]
.
mere
z
rive
amp
(6)
at
sn
sat
_
os
us
Voltage
control
amp.
iS
1CQ
adj.
point
off)
or)
CYQErGE)
mM
oS]
eet
8
=
=
ele
OV
ICQ
adj.
pointiL
ch)
ae
{|
8
amen
Vi
iL
ch)
oy
R607
47K
JOY
LOY
Tov
Tov
aav
x
osm
2
g
By
|
eile
Ae
i
reac
ae:
ee
oy
a
sl
Es
I
al
85
z
515
3
R567
|
R569
a
alt
a
S|
x5,
=
.
©
K
bd
H
Ls!
2wOilawor|
L553
A\r603
270
Reogs
eer
3]
$
rit
R467
1K
=
Pay
3
,
7
ee
;
“y
_
GB}
3
=
ca
|
Ars7i
A\r604
270
Arei2
it
@
o
ese
(2)
8
=
<
1
172
10
a
es
z
1/2W
180
ont
8
Seu
a
8
}
35
gfy
8]
=
¢
&
|
rei
“18.6V
!
°
Ee
8
8
z
>
ba
az¥
8s
Si-e
x
o|
ik
{fP
tg
ey
3
:
gee
eS
=T
g
ay
38
Oy)
°
4
}
o
ex
wx
=
©
=
-16.8
:
car
ieee
oo
S|
o>
«(8
8
s
3
se
ov}
Q559
88
Br
8
8|
3
8
g
SP
sov
b
q
Soa
2
=
Sis
33
3
=
‘.
'
Bx
<
4
8
Q60:
23¢
s
essl
Voltoge
control
oS
we
x
3
ST
j/
oa
ke
ey
aTo
“V0
$35
amp.
ICQ
adj
ov
3]
2
ola
8
2
2
2
-O.5Vv
S
go
3
(L
ch)
SLe
il
Fo
°
Ss
y
i)
-64.0V
ce
ry
&
be
-
-8.3V
Current
drive
amp.
anes
aes
er)
MUTING
PROTECTION
1C401
Q507
1CQ
adj.
(L
ch)
ep
ES
pPC4570C
(>
oa
0M
ool
|
8°T
3
a4isl
x
Q,
es
8:
;
j
g
VOLTAGE
AMP
s
a
iss
eas
on
Fy
8
_
fessv
Fes
Me
oa:
e
5
2
-asvl
Bos
wy
SOF
\
Cele
4
2
Q417,418
ra
-63.9V
<
«
'
oD
a
ne
q
‘woe
|
=
2803944
s
~
ee
eee
=u
VY
=
fav
(eee
AA
CLASS
AMP
2
ze
Suite
cy
i
f
ae
Q503
&
Me
ee
as
;
Q419,420
we
ass
LA.
a
For
(EK,
XL)
areas
2SA
1535A
:
AA
CLASS
AMP
*
©
|
Q407,408
451
2S8C2631
2SC1384
CURRENT
0413,414
0415,416
Q50!
,502,
507,508
Q503
504,505
,506
Q551,
552
Q559,
560
0557
,
558
REGULATOR
STABILIZER
2S8C263!
2SA1123
28C2631
2SA1123
2S8c
1815
2SA1302
2SC3281
AA
CLASS
AMP
=
AA
CLASS
AMP
PRE
DRIVE
PRE
ORIVE
AME
Cine
ae
POWER
AMP
POWER
AMP
Sass
421,422
Ae420
100
2S5A684
2Scisis5
VOLTAGE
CONTROL
Geos
2
REGULATOR
AMP
(ICQ
ADJ.)
ary
can
S;
-
64.5V}
Cmner
a
2409,
410
Ps
&
401,402
2SC3311A
Saye
<a),
28C2631
LIMITER
¥
%
PRE
DRIV
E
E
-Livkny
CP
632V
o4ie
Voltage
control
amp.
CHE)
a506
|93v
4
Q411,
412
asy
(C2
Adj.
point
(R
ch)
ce
:
4
eae
Q405
,406
2SAI309A
tg
>
For
(EK,
XL)
2SA
1123
LIMITER
LC)
1¢502
#@)
areas,
|
f.,
=
x
1
wo]
wt
.
BH
3
2
i
lee
Current
drive
amp
MS
Ok
Ret
Oe)
8
8
71CQ
adj.
point
(R
ch)
1
33
ge!
~asvl
oy
ov
pes
Goss
/
a
a
$9
R468
z
504
a
re
<q
sd
L552
R568
ser
1C
60:
ea
“10
ar
}
ie
AS
caz4
aoe
z
2W330--
others
b
REGU!
°
|
Arsa2
7
2w220
EK
XU3
g
3!
a
ne
;
{10.3V}
Voitage
control
Me
3
ec
ee
&
ps
ny
5.0V,
amp.
ICQ
adj.
tC)
©
>
«
ah
C
(R
ch)
8
9
©
2
x
|
=
(2)
9508
}-9.1v
i
2!
Rar
ae
,:
1
SA
beazv
Current
drive
amp.
;
2.
:
For(EK,XL)
|
!
o
CH
3
1CQ
adj.
(R
ch)
3
arears:”
bus
oo
Z
8
-637v
¥R
re
rd
g
id
VOLTAGE
CONTROL
AMP/
wane
th
Bag
CURRENT
DRIVE
AMP/
[—J
sabi
POWER
AMP/MUTING/
PROTECTION/POWER
SOURCE
CIRCUIT
—19—
—20-
btbeud
jis
ddd
be
a
a
5

Other manuals for Technics SU-V90D

Related product manuals